Select your region & language

Murata introduces analog output AMR sensor for manufacturing equipment

  • Sensors

23/8/2017


This product has been discontinued.


Overview

Murata Manufacturing Co., Ltd. has expanded its lineup of magnetic sensors by introducing the MRES series, an analog output AMR sensor. The primary application will be as a rotary encoder for manufacturing equipment. Mass production started in July.


Details

An AMR sensor is a magnetic sensor that utilizes a magnetoresistance element. By installing a magnet on the rotational shaft of a motor, for example, the sensor is able to detect rotation or position change by proximity to the magnet.
Rotary encoders for manufacturing equipment require compact size and low power consumption. To meet this need, Murata has developed the analog output type MRES series by using a high resistance AMR element, thereby expanding its lineup of AMR sensors, which also includes the digital output type with built-in IC (magnetic switch)


Specifications: MRES301B (example)

 Item  Value  Condition
 Power voltage  5.0V  
 Resistance  550kΩ Typ.  Between Vcc-Gnd
 Midpoint potential  2500mV Typ.  
 Fluctuation at magnetic field application  25mV Min.  B=8mT

External size

4. 0 x 4.0 x 0.7 mm


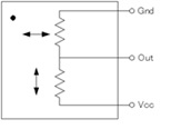
Magnetic field application direction and equivalent circuit



Output example



Application example

Product site URL

Analog output type switches for encoders

Murata in Brief

Murata Manufacturing Co., Ltd. is a worldwide leader in the design, manufacture and sale of ceramic-based passive electronic components & solutions, communication modules and power supply modules. Murata is committed to the development of advanced electronic materials and leading edge, multi-functional, high-density modules. The company has employees and manufacturing facilities throughout the world. For more information, visit Murata's website at www.murata.com

Subscribe to Product & Event News

Sign Up for Our Free Email Newsletter