Select your region & language

Ceramic Capacitors FAQQHow many mm are the reel and tape widths for chip sizes 008004(0201M), 01005(0402M) ? (ex: GRM01/GRM02/GJM02 series)

A

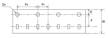
The reel width of chip sizes 008004 (0201M) and 01005 (0402M) is under 8 mm.
The tape width (W in the diagram below) is 4 mm and pocket pitch (P1 in the diagram below) is 1 mm.

Image of chip sizes

For details, see “Packaging” of the detailed specifications sheetDetailed specifications sheet
attached to the product details page on the website.

We appreciate your cooperation with the FAQ improvement questionnaire.
Were these FAQs helpful?

We would like to hear your opinions and requests regarding these FAQs.
Opinions from customers will be used to improve the FAQs.
We will not respond to inquiries and requests received by this form.

For product inquiries, please contact us using our contact form.