Select your region & language

Ceramic Capacitor0402 (01005) in mm (inch) supported. Narrow pitch emboss taping (Width: 4mm, Pocket pitch: 1mm)

Proposal of the new tape packaging "Embossed Tape" to meet the needs of the new surface mounting W4P1

Merits

Merits

Environmentally Friendly

Drastically reduces packaging material waste

W4P1 Embossed Tape "W4P1" cuts the usage of packaging materials down to 1/4 the surface area ratio compared to W8P2 paper tape of the same chip size. This enables a drastic reduction of taping material waste in mounting. In addition, it contributes to a reduction of transportation energy and carbon dioxide emissions by reducing the packaging size.

Dimensional comparison for 0402 (01005) in mm (inch) tape Dimensional comparison for 0402 (01005) in mm (inch) tape

Space Efficiency

Realizes space efficiency by minimizing the required space

Reduces storage/stock space for chip components

The Embossed Tape "W4P1" has a reduced tape width and pitch size compared to W8P2 paper tape of the same chip size, providing for efficient use of tape area. This drastically reduces storage/stock space for chip components.

Swipe left or right to change screens View in landscape mode.
reelSmaller Total reduced reel

Clean Mounting Process

Solves the problem of paper fluff and dust

Paper fluff and dust measurement

When chip components are fed into the mounting machine using paper tape, fluff and dust from the tape may cause defects in solder joint of ultra-small components. Embossed Tape, made of plastic, prevents this problem and allows for mounting of ultra-small chip components in a clean area, providing the flexibility to meet various board mounting requirements.

Paper fluff and dust measurement Provided by Shin-Etsu Polymer Co., Ltd.

Improves clearance of the cavity

Enlarged picture of embossed tape

Since the embossed tape causes less fluff and dust compared to the existing paper tapes, it improves clearance of cavity. This may solve pick-up problems on the mounting machine.

Enlarged picture of embossed tape Provided by Shin-Etsu Polymer Co., Ltd.

Providing superior pick & place stability

Since Embossed Tape W4P1 causes no fluff and dust in packaging, it prevents the suction nozzle from clogging in the mounting process. This allows constant and stable suction of chips without frequent maintenance of the suction nozzle.

Comparison of nozzle clogging

Comparison of nozzle clogging

Mounting Stability

Reduces electrostatic problems

Embossed Tape is treated for electrostatic-resistance to prevent electrostatic charges that might occur when the cover tape is peeled-off for mounting. This enables reduction of pick-up problems for the mounting machines, as well as reducing risk of ESD destruction of the semiconductors.

Measurement of peeled-off charged electrostatic voltage

Measurement of peeled-off charged electrostatic voltage

Allows for superior sizing stability and storing stability

Since Embossed Tape faces less variation in pocket size caused by the environment (temperature, humidity), clearance in a pocket is stable. This gives higher durability of the Embossed Tape when kept in storage under high temperature/high humidity, and contributes to a reduction of pick-up problems when mounting.

Size variation comparison

Pocket size variations were measured after leaving for one day under high temperature/high humidity condition (70°C/85%).

Pocket size variations (Paper Taping vs. Embossed Taping)
Pocket size variations were measured after leaving for one day under high temperature/high humidity condition (70°C/85%).

Pocket size variations (Paper Taping vs. Embossed Taping)

Applicable Chips

Can be used for 0402 (01005) in mm (inch)

Embossed tape spec can be applied 0402 (01005) in mm (inch) , as the packaging standards.

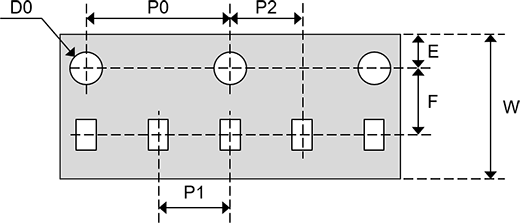
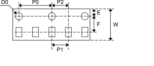
Taping spec for applicable chips (mm)

Swipe left or right to change screens View in landscape mode.
Type W P0 P1 P2 E F D0
W4P1 Embossed Taping 4.0 2.0 1.0 1.0 0.9 1.8 0.8
W8P2 Paper Taping 8.0 4.0 2.0 2.0 1.75 3.5 1.5

W4P1

Taping spec for applicable chips W4P1

W8P2

Taping spec for applicable chips W8P2

Applicable chips and Packaging material for Embossed Tape W4P1

Swipe left or right to change screens View in landscape mode.
Chip size in mm (inch) New Packaging Type Existing Packaging Type
Tape size Packaging material Tape size Packaging material
0402
(01005)
W4P1 Electrostatic-resistant treated plastic W8P2 Paper