Select your region & language

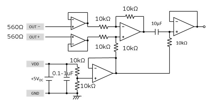
Vibration Sensor Devices FAQ QWhat is the recommended circuit for the differential output model of the vibration sensor devices?

A

To eliminate differential output (Vout+) − (Vout−) Would you use the following the circuit shown in the example below.

Recommended circuit example
  • Reference amplifier P/N : TLV316
  • Could you please confirm circuit conditions on your set?

We appreciate your cooperation with the FAQ improvement questionnaire.
Were these FAQs helpful?

We would like to hear your opinions and requests regarding these FAQs.
Opinions from customers will be used to improve the FAQs.
We will not respond to inquiries and requests received by this form.

For product inquiries, please contact us using our contact form.