Select your region & language

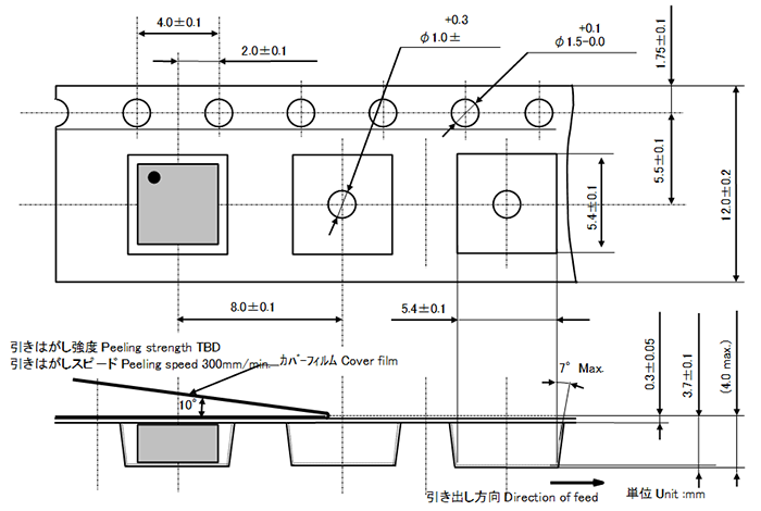
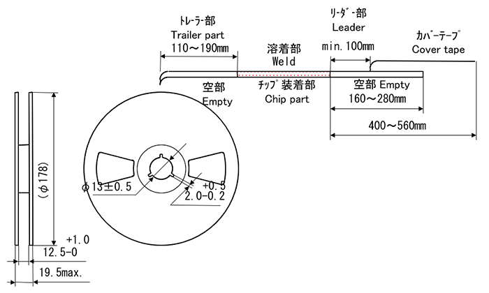
Vibration Sensor Devices FAQ QWhat are the taping dimensions of the vibration sensor devices?

A
Dimension of Plastic Reel
Taping・Reel Demansions

We appreciate your cooperation with the FAQ improvement questionnaire.
Were these FAQs helpful?

We would like to hear your opinions and requests regarding these FAQs.
Opinions from customers will be used to improve the FAQs.
We will not respond to inquiries and requests received by this form.

For product inquiries, please contact us using our contact form.