お取引場所の地域-言語を選択してください。

自動車向け150℃保証、5050サイズ(5.0×5.0mm)、巻線タイプ 電源用コモンモードチョークコイルの商品化 -PLT5BPHシリーズ-

  • ノイズ対策部品/EMI除去フィルタ/TVSダイオード(ESD保護デバイス)

2015/03/06

PLT5BPH

要旨

自動車向けに150℃保証、5050サイズ(5.0×5.0mm)、定格電流 最大5.6Aの 巻線タイプ 電源用コモンモードチョークコイル PLT5BPHシリーズを商品化しました。

背景

近年の自動車市場では、高効率化、耐環境性能の向上が重視されており、より緻密な制御を行うため、電子部品もエンジンやトランスミッションなどの近くに配置されることが多くなってきています。そのため、150℃の高温環境下で使用可能なノイズフィルターの要求が強くなっています。
そこで、当社では150℃の高温環境下で使用可能な、小型、大電流対応の巻線タイプ コモンモードモードチョークコイルを商品化しました。


特徴

  • 自動車パワートレイン対応、AEC-Q200にも対応可能です。
  • -55℃~+150℃で使用可能です。
  • 小型(5.0×5.0mm)で、最大5.6Aの大電流に対応しています。
  • 最大500Ω(at 10MHz)のコモンモードインピーダンスを発生し大きなノイズ抑制効果が期待できます。
  • コモンモードだけでなく、ディファレンシャルモードインピーダンスも高く、ノーマルモードノイズ除去にも効果が期待できます。

用途

  • ECU、トランスミッションコントロールなど高温対応が必要な自動車向けセットの電源ライン。
  • カーナビ、カーオーディオ等の電源ライン

品番

PLT5BPHシリーズ
詳細はこちらをご確認ください。

特性図

PLT5BPH

電気的性能

  • コモンモードインピーダンス(at 10MHz) : 100~500Ω
  • 定格電流 : 3.1~5.6A ( *1 )
  • 定格電圧 : 80Vdc
  • 使用温度範囲 : -55~+150℃
(*1) +125℃以上の温度でご使用の際は、定格電流のディレーティングが必要な場合があります。

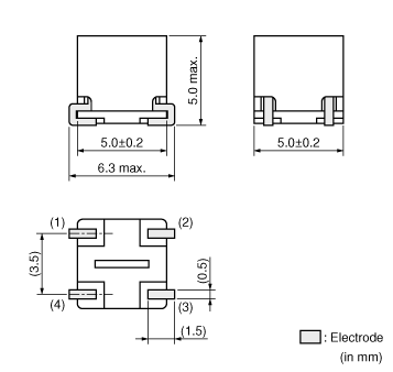
外形寸法図

PLT5BPH
  

生産体制

量産中

ムラタについて

村田製作所はセラミックスをベースとした電子部品の開発・生産・販売を行っている世界的な総合電子部品メーカーです。独自に開発、蓄積している材料開発、プロセス開発、商品設計、生産技術、それらをサポートするソフトウェアや分析・評価などの技術基盤で独創的な製品を創出し、エレクトロニクス社会の発展に貢献していきます。
詳細はこちらのページをご覧ください。www.murata.com/ja-jp

製品・イベントニュースを購読する

メールマガジン無料登録