要旨
村田製作所は磁気センサのラインアップを拡充し、AMRセンサのアナログ出力タイプとしてMRESシリーズを商品化しました。工作機械のロータリーエンコーダを主な用途として、7月から量産を開始しております。
詳細
AMRセンサは磁気抵抗素子を用いた磁気センサです。モーターの回転軸などに磁石を取り付け、これに近接させることで回転や変位を検出することができます。
工作機械などのロータリーエンコーダには小型・低消費が求められています。そのようなニーズに応えるため、弊社では高抵抗なAMR素子によるアナログ出力タイプのMRESシリーズを開発し、これまでのICを内蔵したデジタル出力タイプ(磁気スイッチ)と併せてAMRセンサのラインアップを拡充しました。
今後は、工作機械をはじめ各種工業機器のエンコーダへの拡販を目指します。
主な仕様 例:MRES301B
| 項目 |
値 |
条件 |
| 電源電圧 |
5.0V |
|
| 抵抗値 |
550kΩ Typ |
Vcc-Gnd間
|
| 中点電位 |
2500mV Typ. |
|
| 磁界印加時変動値 |
25mV Min. |
B=8mT |
外形寸法
4.0 x 4.0 x 0.7 mm

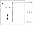
磁界印加方向及び等価回路

出力例

応用例

サイトURL
村田製作所はセラミックスをベースとした電子部品の開発・生産・販売を行っている世界的な総合電子部品メーカーです。独自に開発、蓄積している材料開発、プロセス開発、商品設計、生産技術、それらをサポートするソフトウェアや分析・評価などの技術基盤で独創的な製品を創出し、エレクトロニクス社会の発展に貢献していきます。
詳細はこちらのページをご覧ください。
www.murata.com/ja-jp