お取引場所の地域-言語を選択してください。

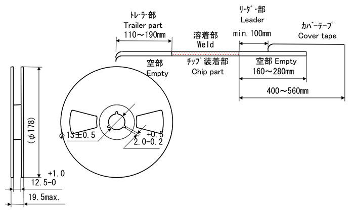
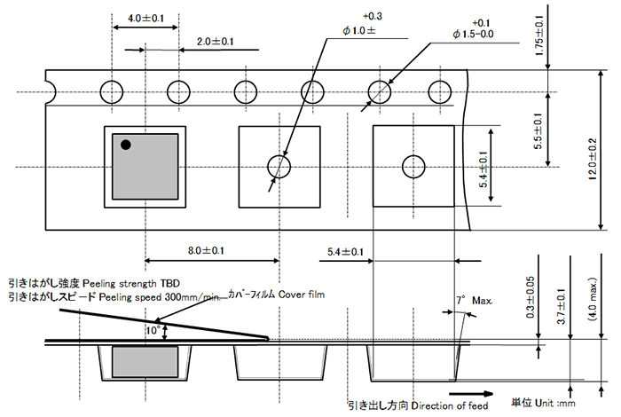
振動センサのFAQ Q振動センサのテーピング寸法を教えてください。

A
プラスチックテープ寸法
テーピング・リール寸法

FAQ改善アンケートにご協力ください。
このFAQはお役に立ちましたか?

宜しければこのFAQについてのご意見・ご要望をお聞かせください。
お客様のご意見はFAQの改善に利用させていただきます。

  • このフォームでいただいたご質問・ご要望への返信は行なっておりません。

製品についてのご質問はお問合せフォームからご連絡ください。