요약
무라타 제작소는 자기 센서의 라인 업을 확충하여 AMR센서의 아날로그 출력 타입으로 MRES시리즈를 상품화 했습니다. 공작 기계의 로터리 인코더를 주요 용도로 하여, 7월부터 양산을 시작했습니다
상세
AMR센서는 자기 저항 소자를 이용한 자기 센서입니다. 모터의 회전축 등에 자석을 설치, 이것에 근접하는 방식으로 회전과 변위를 검출할 수 있습니다.
공작 기계 등의 로터리 인코더에는 소형•저소비가 요구되고 있습니다.
그런 요구에 부합하기 위해, 폐사에서는 고 저항인 AMR소자에 의한 아날로그 출력 타입 MRES시리즈를 개발하여, 지금까지의 IC를 내장한 디지털 출력타입(자기 스위치)과 아울러 AMR센서의 라인 업을 확충했습니다.
공작 기계를 비롯한 각종 공업 기기 인코더 판매의 확대가 목표 입니다
주요 사양 예:MRES301B
| |
값 |
조건 |
| 전원 전압 |
5.0V
|
|
| 저항치 |
550kΩ Typ. |
Vcc-Gnd사이 |
| 중점 전위 |
2500mV Typ. |
|
| 자계 인가시 변동치 |
25mV Min. |
B=8mT |
외형 치수
4.0 x 4.0 x 0.7 mm

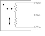
자계 인가 방향 및 등가 회로

출력 사례

응용사례

제품사이트URL
주식 회사 무라타 제작소는 기능성 세라믹을 기반으로 전자 디바이스의 연구 개발 • 생산 • 판매를 행하고 있으며, 재료부터 제품까지 일관 생산 체제를 구축하고 있습니다. 또한, 무라타 제품의 90%이상은 해외에서 판매되고 있으며, 국내외로 글로벌 회사를 전개하고 있습니다.