Select your region & language

Non-Isolated DC-DC converter moduleAdvantages of Murata Charge Pumps

This article explains the differences between conventional charge pump circuits and Murata charge pumps and their advantages.

Advantages of Murata Charge Pumps

Charge Pumps and Murata Charge Pump Modules

A charge pump is a voltage conversion system that can step-up, step-down, or invert an input voltage by combining a capacitor and a semiconductor switch.
Figure 1 shows the simplest step-down charge pump as an example. Each of the color-coded switches in Figure 1 alternately turns on and off with a fixed on-time to enable voltage conversion at output voltage (VOUT) = 1/2 input voltage (VIN). This voltage conversion ratio is constant and can be changed by the number of connected capacitors and switches.
Charge pumps use open-loop control and have a droop characteristics where the output voltage decreases as the load current increases.
As shown in Figure 1, the circuit can be configured with a capacitor and a semiconductor switch without the need for an inductor.
Since magnetic components generally tend to be the tallest components in power supplies and also account for a large percentage of the power supply size, charge pumps without inductors can enable small, low-profile voltage converters. On the other hand, since the charge pump supplies charge to the output capacitor (COUT) in discrete steps, there will be periods when power is supplied from the COUT to the steady-state output load, resulting in a large output ripple voltage. To solve this problem, large high-capacity capacitors or a large number of capacitors need to be mounted, resulting in an increase in the number of components and a larger power circuit area. Also, transient spike currents flow during the period when the discharged capacitor is recharged, stressing each element. In addition, charge re-distribution loss, a loss inherent to charge pumps caused by charge transmission between capacitors, occurs, resulting in lower efficiency.

Figure 1. Charge Pump Circuit

Murata's UltraCPTM series of charge pump module products use Murata's proprietary technology to solve the above-described problems of increased output ripple, larger power supplies, and transient stress on devices. As shown in Table 1, Murata is currently mass producing MYC0409-NA.
MYC0409-NA features an input voltage conversion ratio of 1/4, which allows it to output an output voltage of approximately 12 V when the input voltage is 48 V. It is therefore ideal for generating 12 V and 13.5 V intermediate bus voltages from 48 V systems and 54 V power systems.
This product utilizes Murata's proprietary charge pump technology and is only 2.1 mm high while maintaining high efficiency and high power density. This lightweight and thin charge pump series, which does not require a large inductor, can be mounted on the backside of the board to avoid mounting space issues.

Table 1. UltraCPTM Product Overview
Product name MYC0409-NA
Input voltage (V) 48 (20-60)
Output voltage (V) VIN/4
Output current (A) 6
Size (mm) 11.5*9.5
Height (mm) 2.1_max.
Efficiency (%) 95.0 (VIN=48V/IOUT=6A)

What Is the Difference Between a Step-down Converter and a Charge Pump?

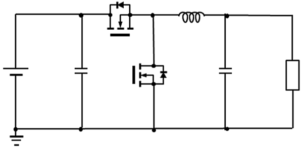
Figure 2 shows the circuit diagram and operating waveforms of the step-down converter. A step-down converter consists of input and output capacitors, high-side and low-side MOSFETs, and an inductor. It is a voltage conversion system that produces an output voltage lower than the input voltage by adjusting the on-time of the MOSFET. This on-time is regulated by a feedback circuit to maintain a constant output voltage regardless of the load.
As described in the previous section, because the charge pump has no feedback, the output voltage drops as the load current increases. Since the voltage conversion ratio is constant, this can be represented using a simple model of an ideal voltage converter and output equivalent resistance (ROUT) as shown in Figure 3. The voltage conversion of the constant multiplier and the voltage drop with respect to the load current are expressed by ROUT. From Figure 3, the output voltage of the charge pump can be expressed by the following equation.

Calculation Formula

Next, we will discuss inductors and capacitors, which are two of the key components of a step-down converter and whose selection can greatly affect its characteristics. The operation of step-down converters and charge pumps will be explained to clarify the advantages of charge pumps.

降圧形コンバータの回路図
降圧形コンバータの動作波形

Figure 2. Step-down Converter

Figure 3. Simplified Model of Charge Pump

Inductor Ripple Current

Figure 4 shows the state when the high-side MOSFET is ON. From Figure 4, it can be seen that an input voltage (VIN) and an output voltage (VOUT) are applied to both ends of the inductor. The inductor current is determined by this voltage at both ends, the on-time, and the inductance. Therefore, the ripple current of the inductor of a step-down converter can be expressed by the following equation.

Calculation Formula
ΔIL
Ripple current of inductor
Lout
Inductance
Fsw
Switching frequency
D
Time ratio (VOUT/VIN)

The above equation shows that, to reduce the ripple current, the inductance must be increased or the switching frequency must be set to a higher frequency.
To increase the inductance, the number of inductor turns or the core cross-sectional area must be increased. Increasing the number of inductor turns results in longer wiring, which increases DCR and leads to a higher conduction loss. If thicker windings are used to reduce loss, more space is needed to wind the windings, and a large core is required. Increasing the core cross-sectional area results in a larger core volume, and so in either case, it is difficult to miniaturize the inductor in a high-current step-down converter. When the switching frequency is increased to a higher frequency, it leads to switching losses in the MOSFET, resulting in lower efficiency.
Thus, inductors are a limitation, making it difficult to realize compact, high-efficiency, low-profile converters.

Figure 4. Step-down Converter (State 1: High-side ON)

Charge pumps, on the other hand, use capacitors to supply power. In circuit schemes that use inductors or transformers for voltage conversion, magnetic components are commonly the height bottleneck. As mentioned earlier, the use of low-height magnetic components leads to reduced efficiency. Charge pumps, however, can provide a low profile and high efficiency power supply. Also, the power density of the capacitor is higher than that of the inductor, thus enabling high power density power supplies.
Murata charge pumps use a compact inductor. This inductor is connected to the back end of the charge pump, and the output ripple voltage can be reduced by an LC filter.
From (b) in Figure 5, the amplitude of the voltage at both ends of the inductor is significantly smaller than that of a step-down converter, so an inductor with low inductance can be used. Furthermore, low inductance inductors have fewer turns, allowing selection of inductors with low DCR for enabling lower conduction losses due to the inductors.

(a) Step-down converter
(b) Murata charge pump

Figure 5. Voltage at Both Ends of Inductor and Ripple Current

Input Ripple Voltage

The average value of the input current of a step-down converter is small in proportion to the voltage conversion ratio. However, a current equivalent to the output current must be supplied from the input at state 1 in Figure 4. This is DC-cut by the input capacitor, but the AC ripple current flowing through the input capacitor is higher than the output ICO, as shown in Figure 2 as ICIN. The RMS value of ICIN can be calculated using the following equation.

Calculation Formula

The Murata charge pump uses a 2-phase configuration with a fixed time ratio of 50% and a phase shift of 180°, so the input current supplies power in each cycle. Therefore, the input capacitor does not produce transient current changes. The ripple current flowing through the input capacitor is one Nth (1/N) (voltage conversion ratio) of the inductor current, enabling a low input ripple voltage with a small capacitance.

Applications

Figure 6 shows a system diagram of UltraCPTM series incorporated into a small cell system as an example. MYC0409-NA is installed in the back end that generates 48 V voltage from AC voltage, thus generating 12 V from 48 V. A 12 V regulator is installed in the back end for generating I/O and core voltages. UltraCPTM series can be incorporated in a wide range of scenarios for enabling highly efficient and compact systems.

Swipe left or right to change screens View in landscape mode.

Figure 6. Small Cell System

Characteristics and Size Comparison

The following table compares the characteristics of MYC0409-NA charge pump module with those of a typical non-isolated step-down DC-DC converter module that uses an inductor as an energy conversion element. In this comparison, the evaluation was performed with an input voltage of 48 V and an output voltage of roughly 12 V. Figure 7 shows the efficiency characteristics, Figure 8 compares the solution sizes, and Figure 9 compares the temperature characteristics. First, the efficiency characteristics show a difference of more than 5% in efficiency for the maximum rated current of 4 A in the comparison. For solution size, MYC0409-NA enables an area reduction of approximately 20%, including external capacitors. Furthermore, as a feature of charge pump technology, the product has an extremely low height and light weight, making it suitable for mounting on the backside or in systems with low-profile requirements.
The temperature characteristics show a temperature difference of 34.7°C due to the low loss, despite the evaluation board having a smaller area than the comparison board.

Figure 7. Efficiency Characteristics (VIN=48 V, VOUT=12 V)
(a) MYC0409-NA
(b) Step-down Converter Module

Figure 8. Solution Size Comparison

Figure 9. Temperature Characteristics (VIN=48 V, VOUT=12 V, IOUT=4 A)

Conclusion

Table 2 summarizes the features of Murata charge pumps and step-down converters.
Charge pumps enable a compact and highly efficient voltage conversion system, especially for applications requiring a low profile. They are best suited for applications that generate an intermediate bus and stabilize the output with a point of load (PoL) in the back end since they have the disadvantage of poor regulation compared to a step-down converter.

Table 2. Comparison of Charge Pump (Murata) and Step-down Converter
Charge pump Step-down converter
Output voltage VIN/DIV N-IOUT*ROUT VIN*D
Regulation ×
Efficiency ×-○
(Depends on inductor size)
Area
Height ×-△
(Depends on inductor size)