Select your region & language

Power SemiconductorLED Boost
ARC2C0608

High Efficiency LED Backlight Driver

  • In Production
  • Recommended
  • New
Read more
  • RoHS Directive compliant product
Read more

Product Detail

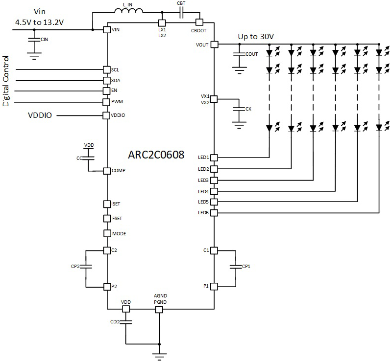
The ARC2C0608 is an ultra-high efficiency DC/DC converter solution with integrated programmable current sinks that drives up to six strings of LEDs. The ARC2C0608 integrates all MOSFETs and their control and driver circuitry. With a proprietary architecture, the ARC2C0608 provides the highest efficiency (>94%) possible in a compact WLCSP-35 package. The 0.4 mm pitch and high switching frequency enables small solution size aligned to the needs of the newest mobile products.

Vin [V] 4.5-13.2
Vo [V] 30
Efficiency [%] 95
Strings [#] 6
Io/String [mA] 30
Dynamic Range [bit] 12
Control PWM and/or I2C
Package WLCSP
Feature Integrated output disconnect switch, Open LED/Short LED/OCP/OVP/OTP/UVLO Protection, Linear/Log/Hybrid Dimming, Adjustable Fsw
Product Family LED Boost
Image of ARC2C0608

Technical Reference

You can view technical documents about Power Semiconductor.
Click the download button to view or download the file.
*The information in the datasheets may be modified without notice or may become unavailable.

Datasheet
This provides the features, specifications, and measurement directions.

Datasheet (PDF: 1.8 MB)

Explanation of Product Characteristic Icons

RoHS Directive compliant productrohs

This product contain no restricted substances specified by RoHS Directive with more than maximum concentration value by weight in homogeneous material, except for cases falling under RoHS exemptions.

Restricted substances Maximum concentration value
Lead 0.1%
Mercury 0.1%
Cadmium 0.01%
Hexavalent chromium 0.1%
Polybrominated biphenyls (PBB) 0.1%
Polybrominated diphenyl ethers (PBDE) 0.1%
Bis (2-ethylhexyl) phthalate (DEHP) 0.1%
Butyl benzyl phthalate (BBP) 0.1%
Dibutyl phthalate (DBP) 0.1%
Diisobutyl phthalate (DIBP) 0.1%
REACH Regulation  compliant productREACH

The Product complies to provisions of REGULATION (EC) No 1907/2006(Reach)

Restriction of the substances contained in the article under Reach:
REACH regulation impose restrictions of product applications and substance ban on the basis of Article 67.1.
The inclusion of a Substance of Very High Concern (SVHC) in the Candidate List creates the duty to communicate information on substances in articles to allow safe use of the article, which is applicable to suppliers in Europe (Reach Article 33). It does not impose any restrictions on the use of the products, nor is it a substance ban. Please check "Murata products containing SVHC and Information on safe use"
AEC-Q200AEC-Q200
AEC-Q200 compliant product