Select your region & language

RFID ProductsFor electronic device management

It is able to solder mount on PCB which turns your board into RFID tag.
We provide recommended land pattern that creates your ground plane as RF antenna.

In the following page you can find detailed information of RFID micro tag, including a video clip of use cases, the benefits of micro tag, and downloadable materials.

For electronic equipment management

Series Lineup

Part number LXMS21ACMF-218 PDF LXMS21ACMD-220 PDF
Appearance
RFID standard ISO 18000-63 / EPC Global Gen2v2
IC Impinj Monza R6 Impinj Monza 4QT
EPC memory 96bit 128bit
User memory NA 512bit
Size (L×W×H) 2.0 × 1.2 × 0.5 mm
Read range* 9m (on PCB) 7m (on PCB)
Stock Check
Notes Last Time Buy Date: 3/31/2026
Date of Discontinuation: 7/31/2026
  • *Please contact us if you need information about substitute products.
    (Mass production is scheduled to commence from April 1, 2026.)
Last Time Buy Date: 3/31/2026
Date of Discontinuation: 9/30/2026
  • *Please contact us if you need information about substitute products.
    (Mass production is scheduled to commence from April 1, 2026.)

Frequency: UHF band (865 to 928 MHz)

  • *Reference

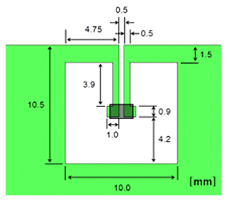
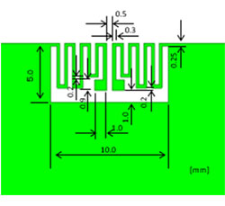
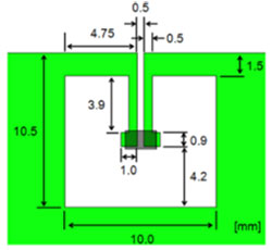
Recommended mounting pattern on PCB

Swipe left or right to change screens View in landscape mode.
Format Normal1 Small1 Normal2 Small2
Product no. LXMS21ACMF-218 LXMS21ACMD-220
Thumbnail
*click the thumbnail,
detailed dimension
will be displayed
Normal1 Small1 Normal2 Small2
DXF form DXF-218-normal1.zip DXF-218-small1.zip DXF-220-normal2.zip DXF-220-small2.zip
Gerber form
(RS274x)
Gerber-218-normal1.zip Gerber-218-small1.zip Gerber-220-normal2.zip Gerber-220-small2.zip
  • Please conduct the pattern to your PCB GND.
    When MAGICSTRAP® is used on the multi-layer board, please apply "L2" pattern in the data to the other layer of the PCB.
    Reading distance is derived by the length of PCB ground Please see following information.