Select your region & language

Power SemiconductorFlexiBK™
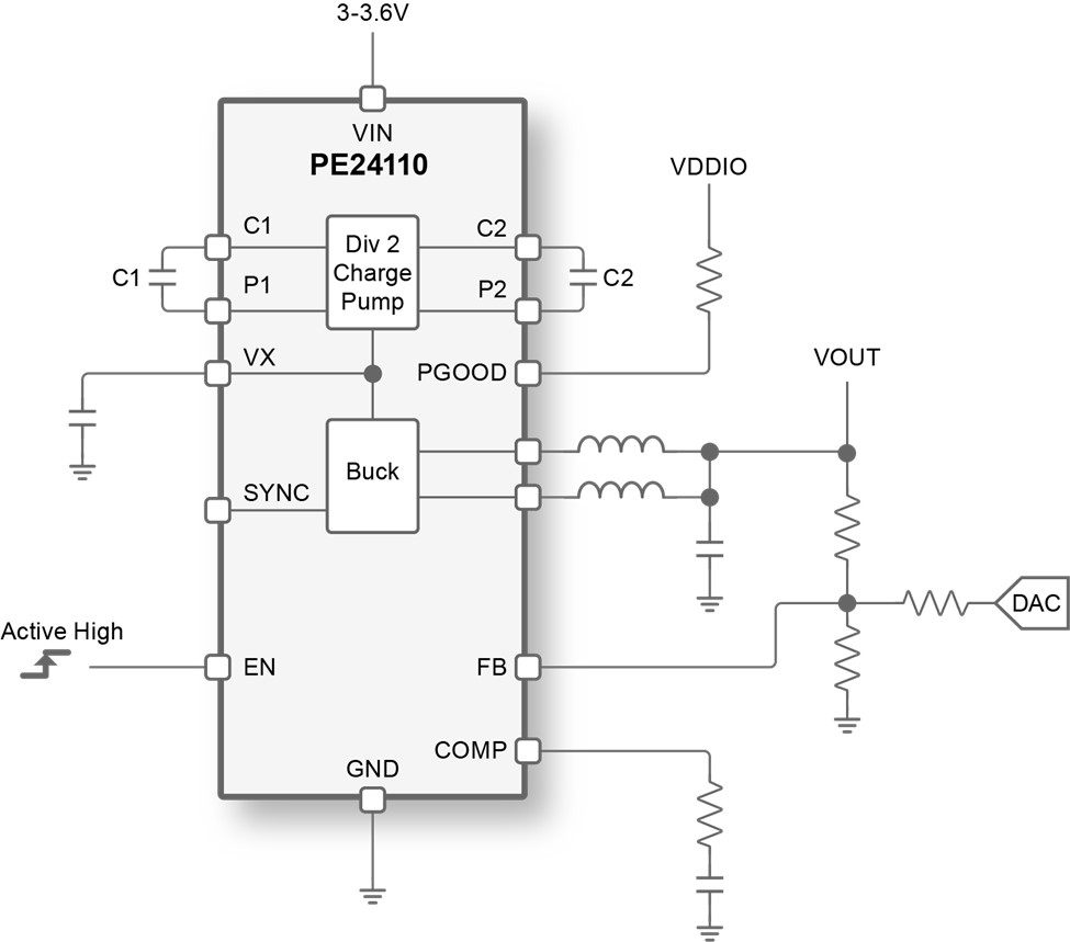
PE24110

Ultra-High Efficiency, 3.3Vin, 12A, 2-stage Buck Regulator IC

  • In Production
  • Recommended
  • New
Read more
  • RoHS Directive compliant product
Read more

Product Detail

PE24110 achieves extremely low height and compact footprint by using an innovative two-stage design that combines a capacitor divider charge pump followed by dual phase buck regulators.
Capable of delivering 12A per phase and can be connected in parallel up to 4 phases to support 48A.
The output voltage is selected with external feedback resistors and can be adjusted by external AVS DAC. Ultra high efficiency with low ripple performance is suitable for space critical and noise sensitive application such as DSP/ASIC in optical module or FPGA in networking equipment.

# of Outputs 1
Io [A] 11.4 (Vin=3.0-3.6V)
12 (Vin=3.0-3.45V)
Vin [V] 3.0-3.6
Vo [V] 0.35-0.7
Efficiency [%] 89 (3.3Vin/0.5Vo)
Sw Frequency [kHz] 1600
Package QFN
Junction Temp [degC] −40-125
Feature Enable, Power Good, AVS (via external DAC), Vout Sense, Over Current Protection, Over Temperature Protection, UVLO, Parallel Operation
Architecture 2 stage buck
Product Family FlexiBK™
Image of PE24110

Technical Reference

You can view technical documents about Power Semiconductor.
Click the download button to view or download the file.
*The information in the datasheets may be modified without notice or may become unavailable.

Datasheet
This provides the features, specifications, and measurement directions.

Datasheet (PDF: 0.6 MB)

Explanation of Product Characteristic Icons

RoHS Directive compliant productrohs

This product contain no restricted substances specified by RoHS Directive with more than maximum concentration value by weight in homogeneous material, except for cases falling under RoHS exemptions.

Restricted substances Maximum concentration value
Lead 0.1%
Mercury 0.1%
Cadmium 0.01%
Hexavalent chromium 0.1%
Polybrominated biphenyls (PBB) 0.1%
Polybrominated diphenyl ethers (PBDE) 0.1%
Bis (2-ethylhexyl) phthalate (DEHP) 0.1%
Butyl benzyl phthalate (BBP) 0.1%
Dibutyl phthalate (DBP) 0.1%
Diisobutyl phthalate (DIBP) 0.1%
REACH Regulation  compliant productREACH

The Product complies to provisions of REGULATION (EC) No 1907/2006(Reach)

Restriction of the substances contained in the article under Reach:
REACH regulation impose restrictions of product applications and substance ban on the basis of Article 67.1.
The inclusion of a Substance of Very High Concern (SVHC) in the Candidate List creates the duty to communicate information on substances in articles to allow safe use of the article, which is applicable to suppliers in Europe (Reach Article 33). It does not impose any restrictions on the use of the products, nor is it a substance ban. Please check "Murata products containing SVHC and Information on safe use"
AEC-Q200AEC-Q200
AEC-Q200 compliant product