Select your region & language

Ceramic CapacitorEnvironmentally friendly narrow-pitch taping (0201, 0402, 0603 inch sizes compatible)

The pocket pitch of the taping is reduced to half of the conventional pitch. We propose the change to narrow-pitch taping, which contributes to improved production efficiency and is environmentally friendly.

Merits

Merits

Environmentally Friendly

Usage and waste of the packaging material can be reduced.

The change to narrow-pitch taping doubles the quantity per reel.
That also reduces the amount of packaging materials used and the waste of it.
In this way we can contribute to the resource conservation.

Compared to W8P2 tape, W8P1 embossed tape dramatically reduces tape waste after mounting.

Transport efficiency is improved.

Because the weight will not increase much although the quantity of a reel is more than doubled, transport efficiency will be improved.

Swipe left or right to change screens View in landscape mode.
Because the weight will not increase much although the quantity of a reel is more than doubled,  transport efficiency will be improved.

Improvement of Production Efficiency

The change to narrow-pitch taping doubles the quantity per reel. Therefore, halved splicing work and halved reel changes will reduce working time and stock space, thus facilitating improvement of production efficiency.

Improvement of Production Efficiency
Swipe left or right to change screens View in landscape mode.
Φ180mm reel Φ330mm reel
Size in mm (inch) Standard Pitch
(pcs/reel)
Narrow Pitch
(pcs/reel)
Standard Pitch
(pcs/reel)
Narrow Pitch
(pcs/reel)
0603M(0201) W8P2 paper W8P1 paper W8P2 paper W8P1 paper
15,000 pcs 30,000 pcs 50,000 pcs 100,000-150,000 pcs
1005M(0402) W8P2 paper W8P1 paper W8P2 paper W8P1 paper
10,000 pcs 20,000 pcs 40,000-50,000 pcs 80,000-100,000 pcs
1608M(0603) W8P4 paper W8P2 paper W8P4 paper W8P2 paper
4,000 pcs 8,000 pcs 10,000 pcs 30,000 pcs

W8P4 : Width 8mm、Pocket pitch 4mm
W8P2 : Width 8mm、Pocket pitch 2mm
W8P1 : Width 8mm、Pocket pitch 1mm

Applicable Chips/Tape Dimensions

It supports 0201(0.6 × 0.3mm), 0402(1.0 × 0.5mm) and 0603(1.6 × 0.8mm) inch sizes.

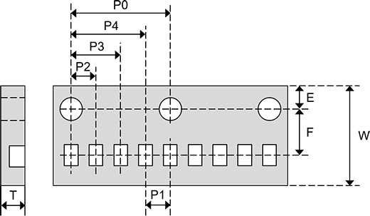
W8P1

Tape Dimensions W8P1

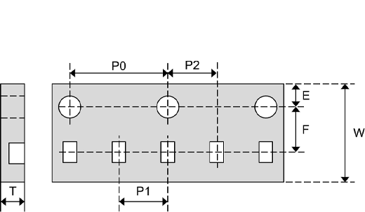
W8P2

Tape Dimensions W8P2
Swipe left or right to change screens View in landscape mode.
Chip size in mm (inch) P0 P1 P2 P3 P4 E F W T
0603M (0201) 4.0 1.0 1.0 2.0 3.0 1.75 3.5 8.0 0.5mm max.
1005M (0402) 4.0 1.0 1.0 2.0 3.0 1.75 3.5 8.0 0.8mm max.
1608M (0603) 4.0 2.0 2.0 - - 1.75 3.5 8.0 1.15mm max.

mm