Select your region & language

Polymer Aluminum Electrolytic CapacitorsAccelerator usage examples

Accelerator board market trends and challenges

Image 1 of Market trends and challenges
Image 2 of Market trends and challenges

The data processing capability of computers and other information technology has been improving with the progression of the digital transformation (DX) and the increase in remote work. While IT devices had previously been used mainly to surf the web, nowadays, thin and lightweight devices that can be used to edit videos or work remotely are preferred by consumers, and the specs required in these devices have changed along with these preferences.
Meanwhile, deep learning and machine learning capabilities have also become indispensable at data centers, where large volumes of data must be processed at high speeds.
For these reasons, there is demand for IT devices to be both compact and capable of processing large volumes of data. With this demand, it has become important for accelerator boards to be capable of improving the processing power of IT devices.

Current accelerator board challenges

Because accelerator boards must be capable of decentralized high-speed processing, high-density ICs made possible by the latest semiconductor technology are being used, and there has been an increase in power supply circuits with lower voltages due to miniaturization and larger currents from the larger numbers of cells mounted.
To achieve these specifications, it is important to reduce power supply noise and for voltage be stable even with high loads (→ 1. Low ripple noise2. Voltage fluctuation stability with respect to load fluctuations).
There are also concerns regarding heat buildup from the heat generated with the larger currents used. To counter this, the peripheral electronic components must match in height so that a large heat sink with good thermal efficiency can be mounted on the top surface of the high-density IC.

 Roles of capacitors

As mentioned above, the current market trend is toward low voltage, high current accelerator boards. In addition to these specifications, accelerator boards must also have components with a high capacity, low ESR, and a low profile.

Features of Murata's polymer capacitor ECAS series

Murata's polymer capacitors have low ESR, low impedance, and have a high capacity.
Additionally, they are superior for their ripple absorption, smoothing, and transient response performances since there is no DC bias characteristic for capacitance and the temperature characteristic is stable.
Therefore, it is optimal for smoothing purposes in the input/output stage of power circuits and as backup for load fluctuation around the CPU.
This contributes to reducing the number of parts as well as the size of the circuit board area.

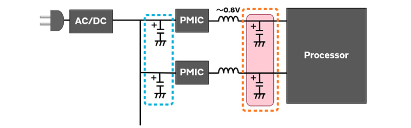
Example of applied circuit

You can use the ECAS series in circuits like those shown below.

Figure of Example of applied circuit
Recommended part number
Volt. Cap. Part Number
25V 15 ECASD31E156M040KA0
22 ECASD31E226M040KA0
33 ECASD41E336M040KA0
16V 47 ECASD31C476M040KA0
68 ECASD41C686M040KA0
 
Volt. Cap. Part Number
2.5V 330 ECASD40E337M006KA0
470 ECASD40E477M4R5KA0
470 ECASD40E477M006KA0
About the case size
Code L W T
D3 7.3±0.3 4.3±0.2 1.4±0.1
D4 7.3±0.3 4.3±0.2 1.9±0.1
D6 7.3±0.3 4.3±0.2 2.8±0.3

ECASD◯************ : D◯ is the dimension code.
(Ex.) ECASD40E477M006 / Dimension code : D4

Advantages of using the ECAS series

1. Low ripple noise

The ECAS series with its low ESR characteristics has excellent ripple noise suppression performance.

[Results of a simulation]

2. Voltage fluctuation stability with respect to load fluctuations

The ECAS series with its large capacitance characteristics features excellent stability with respect to load-side fluctuations in large-current applications.

When a tantalum capacitor is used
When the ECAS series is used

Comparison with other capacitors

1. Advantages over tantalum capacitors

Low ESR

The ECAS series has lower ESR compared to tantalum capacitors, which enables the realization of lower ripple noise.

Image of Low ESR

Reliability

The ECAS has more stable reliability compared to tantalum capacitors, which contributes to stable set operation.

Graph of Reliability * Test condition: High temperature load

2. Advantages over MLCC

Reduction in quantity due to large capacitance

The ECAS series has larger capacitance and no voltage dependence compared to MLCC, so the number of components can be reduced to achieve a smaller set in applications currently using large numbers of MLCC.

Item Total effective capacitance @ 1.8V Qty. Total area
ECAS 470µF/2.5V 470 1 31.4
MLCC 100µF/6.3V 491 6 40

Stable capacitance with respect to temperature and voltage changes

The effective capacitance of MLCC varies with changes in DC voltage and temperature.
By contrast, the ECAS series has almost no capacitance change with respect to DC voltage or temperature, enabling use for stable power supply design.

Image 1 of Stable capacitance with respect to temperature and voltage changes
Image 2 of Stable capacitance with respect to temperature and voltage changes

Application notes

PDF documents of accelerator application examples are also available.
Download the documents below to view the materials.

Accelerator board application notes (PDF: 0.3 MB)