Select your region & language

Non-Isolated DC-DC converter moduleDifference between Diode Rectification and Synchronous Rectification in Step-Down DC-DC Converters

This article presents the advantages and disadvantages of the diode rectifier and the synchronous rectifier circuits.

Difference between Diode Rectification and Synchronous Rectification in Step-Down DC-DC Converters

Advantages and Disadvantages

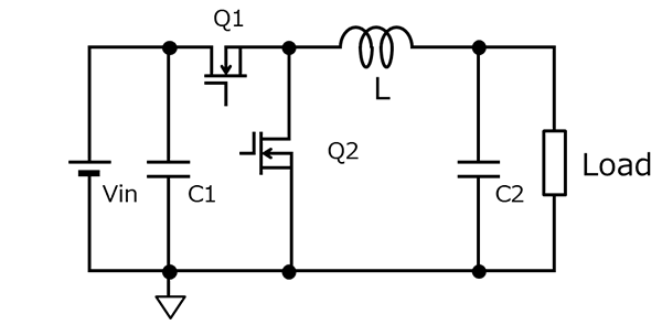
If Q2 (commutation element) is using diodes (e.g., Schottky diode), diode rectification is performed. If Q2 is using FETs, synchronous rectification is performed.

  • Synchronous rectification has lower power loss than diode rectification.
  • Synchronous rectification requires a drive circuit for Q2, as well as a circuit to prevent Q1 and Q2 from turning on simultaneously to prevent short circuits.
  • In diode rectification, Q1 and Q2 never turn on simultaneously.
  • Synchronous rectification has a more complex circuit than diode rectification.
a) Diode rectification
b) Synchronous rectification

Current Discontinuous Mode (Diode Rectification Only)

In diode rectification, there is a period of time that no current flows through the coil when the output current is low.

  • Poor load response in current discontinuous mode
  • Control function changes at the discontinuous/continuous boundary

In particular, if there is a mode that operates at the discontinuous/continuous boundary, it is necessary to check the operation thoroughly.

Image diagram

Loss Comparison (Diode Rectification vs. Synchronous Rectification)

For example, let's calculate the loss generated in the commutation element Q2 under the conditions of load current Iout = 10 A and duty cycle D = 0.5.

Calculation Formula
  • Diode rectification
    If the Schottky diode forward voltage VF = 0.5 V,
    Calculation Formula
  • Synchronous rectification
    For example, if the FET drain-source on-resistance Ron = 10 mΩ,
    Calculation Formula

Synchronous rectification has smaller losses and can suppress heat generation when the load current is large.
Also, when the input-output voltage difference is large, the ON time of the commutation side switch Q2 is longer, so the loss difference is even larger.

Summary of Diode Rectification and Synchronous Rectification

  • Advantages of synchronous rectification
    • Low loss
    • Enables high-frequency operation and miniaturization of components
    • High responsiveness to load fluctuations
  • Advantages of diode rectification
    • Simple circuit
    • High efficiency at light loads