Select your region & language

RFID ProductsFor electronic device management

It is able to solder mount on PCB which turns your board into RFID tag.
We provide recommended land pattern that creates your ground plane as RF antenna.

In the following page you can find detailed information of RFID micro tag, including a video clip of use cases, the benefits of micro tag, and downloadable materials.

For electronic equipment management

Series Lineup

Part number LXMS21ACMK-258 PDF
Appearance Image of LXMS21ACMK-258
RFID standard ISO 18000-63 / EPC Global Gen2v2
IC Impinj M781
EPC memory 128 bit
User memory 512 bit
Size (L×W×H) 2.0 × 1.2 × 0.5mm
Read range* 14m (on PCB)
Stock Check

Frequency: UHF band (865 to 928 MHz)

  • *Reference

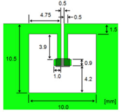
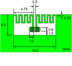
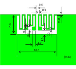
Recommended mounting pattern on PCB

Swipe left or right to change screens View in landscape mode
Format Normal Small
Product no. LXMS21ACMK-258
Thumbnail
Image of normal pattern
Image of small pattern
DXF form DXF-258-normal1.zip DXF-258-small1.zip
Gerber form (RS274x) Garber-258-normal1.zip Gerber-258-small1.zip
  • *Please conduct the pattern to your PCB GND.
    When MAGICSTRAP® is used on the multi-layer board, please apply "L2" pattern in the data to the other layer of the PCB.
    Reading distance is derived by the length of PCB ground Please see following information.