お取引場所の地域-言語を選択してください。

セラミックコンデンサ(キャパシタ)0402サイズ対応 狭ピッチエンボステーピング (幅: 4mm、ポケットピッチ: 1mm)

W4P1 (幅: 4mm、ポケットピッチ: 1mm) の新たな基板実装ニーズに応える、ムラタの新テーピング包装方式「エンボステープ」を提案いたします。

メリット

メリット

環境対応

- 包装材料の廃棄量を大幅に削減できます -

W4P1エンボステープは、同部品サイズの紙テープに比べ、包装材使用量を面積比で1/4化を実現しました。
これにより、実装後のテープ廃棄物を大幅に削減できます。
また、梱包サイズが小さくなるため、輸送エネルギーの削減や二酸化炭素の排出減に貢献します。

0402サイズでのテープ形状比較 Dimensional comparison for 0402 (01005) in mm (inch) tape

省スペース対応

- ムダの無いスペース効率を実現 -

チップ部品の在庫スペースを削減

W4P1エンボステープは同じ部品サイズでのテープ幅やピッチのサイズダウンを図っているため、ムダのないスペース効率を実現しています。これによりチップ部品の保管スペースが大幅に削減できます。

左右にスワイプ可能です 横持ちでご覧ください
reel テープリールの薄型化により実装ラインスペースが縮小

クリーン実装への対応

- 発塵問題を解消します -

粉塵発生量測定

紙テープではチップ部品を実装機へフィードする際、テープ自体から発生する粉塵が微小部品の接合に不具合を起こさせることがあります。
エンボステープ包装では、プラスチック製であるため、こうした問題を解消でき、クリーンルームでの超小型チップ部品の実装が可能となりさまざまな基板実装ニーズに対応できるようになります。

Paper fluff and dust measurement 提供: 信越ポリマー株式会社様

- キャビティ内クリアランスが向上-

テープ成型部分の拡大写真

エンボステープは従来の紙テープに比べ、キャビティ内のケバ立ちが少ないため、キャビティ内のクリアランスが向上します。これにより実装機のチップ部品吸着ノズルのピックアップミスを回避することが可能になります。

Enlarged picture of embossed tape 提供: 信越ポリマー株式会社様

- 優れた吸着安定性を実現 -

W4P1エンボステープは、包装材からの発塵がないため、実装工程での吸着ノズルの詰りがありません。
そのため、頻繁に吸着ノズルのメンテナンスを行わなくても、常に安定した部品吸着が実現できます。

吸着ノズルの汚れ比較

Comparison of nozzle clogging

実装安定性への対応

- 静電気による不具合を低減 -

エンボステープは静電防止処理を行い、実装時にカバーテープを剥離する際に発生する静電気の帯電を抑制しています。
そのため、実装機のピックアップミスを低減することが可能になり、併せて、半導体等のESD破壊リスクの低減にも応えています。

剥離帯電圧の測定

Measurement of peeled-off charged electrostatic voltage

- 優れた寸法安定性と保管安定性が実現-

エンボステープは周囲環境 (温度・湿度) によるポケット寸法の変化量が少ないため、ポケット内クリアランスが安定しています。
そのため、高温・多湿環境下での保管に強く、また、実装時のピックアップミス低減にも寄与します。

寸法変化量の比較

高温・多湿環境 (70℃/85%) で、1日間放置後のポケット寸法の変化量を比較

Pocket size variations (Paper Taping vs. Embossed Taping)
Pocket size variations were measured after leaving for one day under high temperature/high humidity condition (70°C/85%).

ポケットの寸法変化量 (Paper Taping vs Embossed Taping)

対応部品

- 0402サイズに対応 -

包装規格では、部品サイズ0402Cサイズに対応しています。

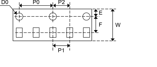
対応部品のテープ寸法

左右にスワイプ可能です 横持ちでご覧ください
Type W P0 P1 P2 E F D0
W4P1 Embossed Taping 4.0 2.0 1.0 1.0 0.9 1.8 0.8
W8P2 Paper Taping 8.0 4.0 2.0 2.0 1.75 3.5 1.5

W4P1

対応部品のテープ寸法 W4P1

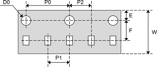
W8P2

対応部品のテープ寸法 W8P2

W4P1エンボステープの対応部品と包装材料

左右にスワイプ可能です 横持ちでご覧ください
部品サイズ
mm
(inch)
新包装形態 現行の包装形態
テープサイズ 包装材料 テープサイズ 包装材料
0402
(01005)
W4P1 静電対策プラスチック W8P2