お取引場所の地域-言語を選択してください。

セラミックコンデンサ(キャパシタ)環境に優しい狭ピッチテーピング(0603M/1005M/1608Mサイズ対応)

テーピングのポケットピッチを従来の半分に。生産効率の向上に貢献し、環境にも優しい狭ピッチテーピングへの変更をご提案いたします。

メリット

Merits

環境対応

包装材料の使用量および廃棄量を削減できます。

狭ピッチテ-ピングへの変更により1リール当たりの数量が2倍になることから、包装材料の使用量自体を削減できます。
実装後のテープ廃棄量を大幅に削減し、省資源化に貢献します。

Compared to W8P2 tape, W8P1 embossed tape dramatically reduces tape waste after mounting.

- 輸送効率が良くなります。 -

1リールの数量が倍以上に増えても、重さはほとんど変わらないため、輸送効率がアップします。

左右にスワイプ可能です 横持ちでご覧ください

生産効率向上

狭ピッチテ-ピングへの変更により、1リール当たりの数量が2倍になります。
スプライシング作業の半減やリール交換作業回数の半減によって作業時間の短縮や、在庫スペースの半減ができ、生産効率の向上に貢献します。

Improvement of Production Efficiency
左右にスワイプ可能です 横持ちでご覧ください
Φ180mmリール Φ330mmリール
サイズ mm(inch) 標準ピッチ
(個/リール)
挟ピッチ
(個/リール)
標準ピッチ
(個/リール)
挟ピッチ
(個/リール)
0603M(0201) W8P2紙 W8P1紙 W8P2紙 W8P1紙
15,000個 30,000個 50,000個 100,000~150,000個
1005M(0402) W8P2紙 W8P1紙 W8P2紙 W8P1紙
10,000個 20,000個 40,000~50,000個 80,000~100,000個
1608M(0603) W8P4紙 W8P2紙 W8P4紙 W8P2紙
4,000個 8,000個 10,000個 30,000個

W8P4 : テープ幅8mm、ポケットピッチ4mm
W8P2 : テープ幅8mm、ポケットピッチ2mm
W8P1 : テープ幅8mm、ポケットピッチ1mm

対応部品/テープ寸法

チップサイズ0603M (0.6×0.3mm) 、1005M (1.0×0.5mm) 、1608M(1.6×0.8mm)に対応しています。

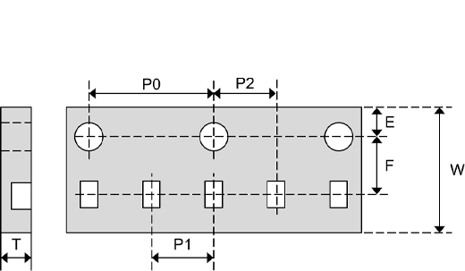
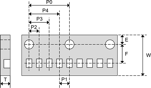
W8P1

テープ寸法 W8P1

W8P2

テープ寸法 W8P2
左右にスワイプ可能です 横持ちでご覧ください
チップサイズ mm (inch) P0 P1 P2 P3 P4 E F W T
0603M (0201) 4.0 1.0 1.0 2.0 3.0 1.75 3.5 8.0 0.5mm max.
1005M (0402) 4.0 1.0 1.0 2.0 3.0 1.75 3.5 8.0 0.8mm max.
1608M (0603) 4.0 2.0 2.0 - - 1.75 3.5 8.0 1.15mm max.

単位: mm