お取引場所の地域-言語を選択してください。

マイクロブロア(エアポンプ)マイクロブロア MZB4001T05

駆動源にセラミックスの超音波振動を応用してブロア(圧電ポンプ)として動作させる構造設計。
薄型・静音でありながら、圧力・流量のバランスの取れた特性を実現した空気ポンプ(エアポンプ)です。
空気の吸引側・吐出側の両方にノズルが付いているため、チューブへの接続が容易です。

  • クリックで各項目に移動します。

スペック

左右にスワイプ可能です 横持ちでご覧ください
投入電圧
[Vdc]
環境動作
温度範囲 [°C]
駆動共振
周波数 [kHz]
流量@24Vdc
[L/min]
静圧@24Vdc
[kPa]※3
20~28※1 5~50 20~22 ≧0.5※2 ≦-10.5※3

※1 弊社駆動回路に投入する電圧

※2 測定条件:環境温度18~28°C 気圧:950~1020hPa
正圧のご使用をご検討される場合はご相談ください。

※3 温度条件、気圧条件により流量、圧力特性は変化します。

※24Vdcを超える電圧で駆動した場合、動作信頼性時間は急激に低下します。

※部材表面温度が60°C以下となる条件でご使用ください。
特に高い駆動電圧で連続駆動されると、発熱により十分な性能を発揮できない場合があります。

特長

①別途駆動回路が必要になります。

少量ではありますが、お試し用駆動回路をご用意しております。
詳しくは弊社までご相談ください(量産においてはお客様でご準備ください)。

②代表特性(保証値ではありません)

項目  
駆動共振周波数 21kHz
無負荷流量 1.3L/min(@28Vdc)
静圧 -20kPa(@28Vdc)

※連続動作しますと、発熱により十分な性能を発揮できない場合があります。 また破損に到る可能性があります。
樹脂キャップ側の表面温度が60°C以下の範囲で使用してください。
放熱板の使用などの放熱対策を行って頂くか、もしくは60°Cを超える場合には駆動を停止してください。

入力電圧により、特性が変化します。

※代表特性を示したものであり、保証値ではありません。
吐出用途(正圧)でご検討される場合はご相談ください。

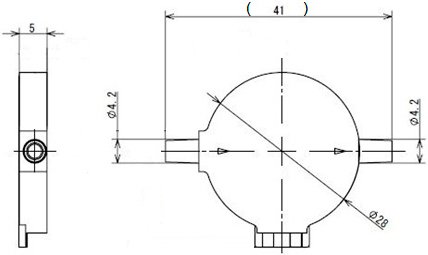
③外観図

左右にスワイプ可能です 横持ちでご覧ください
  項目
Item
規格
Specification
条件
Condition
1 外形寸法/公差
Outside dimension/tolerance
φ28±0.2mm ノズル、端子を除く
except the nozzle and terminal
2 厚み寸法/公差
Thickness/tolerance
5±0.5mm  
3 ノズル径/公差
Nozzle diameter/tolerance
4.2±0.2mm ノズル根元部の径
Bottom diameter of nozzle

④空気の流れ

※空気の流れは一方向のみです。逆向きの流れを作ることはできません。

ご注意

  • マイクロブロアは空気を吸引・吐出するデバイスであり、液体を直接流すことはできません。本体は密閉構造ではなく防水機能はありませんので、洗浄はできません。また、結露環境での使用は避けてください。
  • マイクロブロアは空気を吸引・吐出するため、ポンプ室内に大気中のゴミ・埃が堆積する傾向があり、動作時間についてはゴミ・埃の影響を受けます。クリーンな環境でご使用頂くか、塵・埃等が入り込まないように少なくともサブミクロンレベルのゴミを除去するフィルタをご使用ください(※フィルタの使用によりマイクロブロアの特性低下抑制を保証するものではありません)。
  • 特にたばこの煙、蚊取り線香の煙などは製品寿命に影響します。たばこ・煙環境でのご使用はご遠慮ください。
  • 車載用途(アクセサリ含む)には対応しておりません。ご使用はご遠慮ください。
  • マイクロブロアを医療機器にご使用になる場合は、量産開始までに別途医療機器用途に関する契約の締結をお願いしております。詳しくはお問い合わせください。
  • 本体(ノズル、配線等含む)を素手で扱わないでください。
  • 端子部を曲げたりしないでください。
  • 直列接続による圧力UPを検討される場合は弊社まで相談ください。
  • 用法、用途、需要規模等によってはサンプル提供も含め辞退させて頂く場合がございます。あらかじめご了承ください。

データシート

データシート ダウンロード

製品の特性や仕様などを掲載したデータシートをダウンロードいただけます。

MZB4001T05 データシート