お取引場所の地域-言語を選択してください。

インダクタ (コイル)携帯電話 -パワーアンプ-

アンテナ、パワーアンプ、SAWフィルタ、スピーカー、マイク、これらの周辺回路に必要とされる特性の解説、推奨製品をご紹介いたします。

パワーアンプ(power amplifier: 以後PAと略します)は、通信IC(RF-IC)から出力された高周波信号を必要な出力まで増幅し、アンテナに供給します。

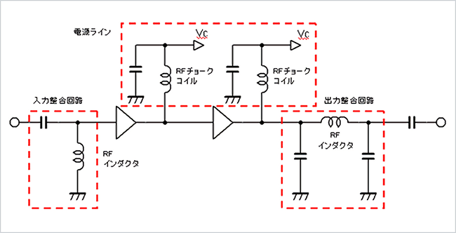
図1に、PAの回路例を示します。PAは1段では要求される出力パワーを満たすことが難しいため、通常は多段構成とします。図1ではPAが2段構成となっていますが、携帯電話の通信方式によって要求される出力パワーが異なりますので、対応する通信方式によりPAの構成を変える必要があります。例えば、UMTSよりGSMのほうが出力パワーの要求が大きいので、UMTSでは2段構成、GSMでは3段構成とする場合が多いと思われます。

図1: パワーアンプ回路(2段構成)

1. インピーダンス整合(マッチング)

信号の伝送路において、送り出し側回路の出力インピーダンスと、受け側回路の入力インピーダンスを合わせることであり、整合を取ることにより送り出し側の電力を受け側に最大に伝送することができます。このため、PAの入出力部にも整合回路が必要となります。
整合回路にはコンデンサやインダクタが使用されますが、使用される周波数帯で十分な特性(Qや自己共振周波数など)を持っていることを確認してください。
弊社の部品特性は、弊社が提供しています設計支援ツールSimsurfing 別ウィンドウで開く より確認することができます。

2. 入力整合回路

入力整合回路は信号レベルが小さく、また、部品のQの大小がPA特性にそれほど影響しないことが多いです。また、最近のPAの小型化要求に対応するため、インダクタも小型なものが選択されることが多くなっています。 

弊社インダクタでは、フィルムタイプのLQP03TN_02シリーズ 別ウィンドウで開く (0.6×0.3mm)やさらに小型の LQP02TQ_02シリーズ 別ウィンドウで開く /LQP02TN_02シリーズ 別ウィンドウで開く (0.4×0.2mm)が適しています。

図2にLQP02TQ_02/LQP02TN_02/LQP03TN_02のQ比較(いずれも6.8nH)のグラフを示します。このグラフは、先に紹介しましたSimsurfing 別ウィンドウで開く を使い表示させたものです。

図2: LQP03TN_02/LQP02TQ_02/LQP02TN_02のQ比較(いずれも6.8nH) 

3. 出力整合回路

出力整合回路にはPAで増幅された信号が通るため、信号レベルが大きく、また部品のQがPA特性に大きく影響します。
RFインダクタもQが大きい方が、PAの利得を大きくでき、かつ出力電流を小さくすることができます。このため、要求される利得や出力電流などを調整しながら、RFインダクタを選択してください。 

弊社インダクタでは、巻線タイプのLQWシリーズがもっともQが高く、LQWシリーズを使用することで高性能なPA特性を得ることができます。小型でかつQが高いLQW04AN_00シリーズ 別ウィンドウで開く (0.8×0.4mm)/LQW03AW_00シリーズ 別ウィンドウで開く (0.53×0.4mm)が適しています。また、さらに小型化が要求される場合には0603サイズでもっともQ値の高いフィルムタイプLQP03HQシリーズ 別ウィンドウで開く (0.6×0.3mm)が適しています。

図3に、LQW03AW/LQW04AN/LQP03HQのQ比較(いずれも7.5nH)のグラフを示します。

図3: LQW03AW/LQW04AN/LQP03HQのQ比較(いずれも7.5nH)

4. 電源ライン

PAの電源ラインには、交流(信号やノイズ)を阻止(チョーク)し、直流のみを通すためにチョークコイルが使用されます。チョークコイルで電圧降下が発生すると、PA特性に影響を及ぼすため、出来るだけ直流抵抗が小さなインダクタが望まれます。初段は出力パワーが小さく、このためチョークコイルに流れる電流は比較的小さく、後段で出力パワーが大きくなるにつれ、チョークコイルに流れる電流が大きくなります。

また、PA内のチョークコイルを多層基板に書き込むケースがありますが、PAに占めるチョークコイルの面積が大きくなり、PA自体の小型化の妨げになることがあります。

弊社では、PAの小型化に貢献すべく、電流の小さな初段ではフィルムタイプのLQP03TN_02シリーズ 別ウィンドウで開く (0.6×0.3mm)を推奨しています。一方、大電流が必要な後段には、PAのチョーク用に商品化した大電流対応のLQP03Pシリーズ 別ウィンドウで開く (0.6×0.3mm)を推奨しています。
また、DCDCコンバータとPA間の電源ラインのノイズ対策部品としては、LQW15Cシリーズ別ウィンドウで開く(1.0×0.5mm)も推奨しています。

推奨製品一覧

[入力整合回路]

[出力整合回路]

[電源ライン(PA内部)]

[電源ライン(DCDC-PA間)]