お取引場所の地域-言語を選択してください。

ピエゾバイブ 評価キット PJX-20-D001

村田製作所製ピエゾバイブ評価キットの外装イメージです。

※大変残念ながら、開発を中止しました。

ピエゾバイブ評価キット PJX-20-D001

用途

  • 軽量ウェアラブル機器用振動 / 触覚デバイス(20g想定)
村田製作所製ピエゾバイブ評価キットのキット内容です。

本製品は村田製作所製ピエゾバイブ用評価キットです。

  • PCB上ピエゾバイブ(PJZ-20-0004)2個
  • ピエゾバイブ・リングデモ(PJX-20-D004)1個
  • USBコネクタ付ASIC基板(PJX-20-D002)1個

取扱説明

取り扱いは以下の手順でお願いいたします。1.両面テープからセパレータを外してください。2.デバイスの平らな面にサンプルを載せてください。3.サンプルを押してデバイスに固着してください。4.リード線を端子台にねじ止めしてください。(リード線2本、極性なし) 5.USB電源ケーブルを差し込んでください。(TypeC)

組立外観

ピエゾバイブ用評価キットの組立イメージ画像です。回路上の押しボタンでピエゾバイブを起動することができます。
【ご注意】

USB TypeC to Cケーブルではピエゾバイブが動作しない恐れがあります。USB TypeC to Aケーブルをご利用ください。

評価キット情報

Piezo Vibe with FR-4

1) 外観

Piezo Vibe with FR-4の外観や部品、寸法の詳細です。
【ご注意】

洗浄は行わないでください。本製品は密封されていません。尖ったもので押さないでください。

駆動回路

1) 外観

駆動回路の外観や部品、寸法の詳細です。

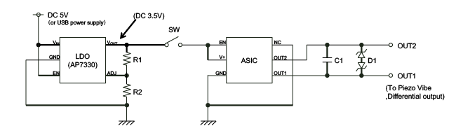
2) 回路図

駆動回路の回路図です。

ピエゾバイブ(リング付)

1) 外観

ピエゾバイブ(リング付)の外観や部品、寸法の詳細です。

文書ダウンロード

関連リンク