お取引場所の地域-言語を選択してください。

パワー半導体LED Boost
PE23108

高効率LEDバックライトドライバ

  • 生産中
  • 推奨
  • New
Read more
  • RoHS指令適合製品
Read more

製品詳細

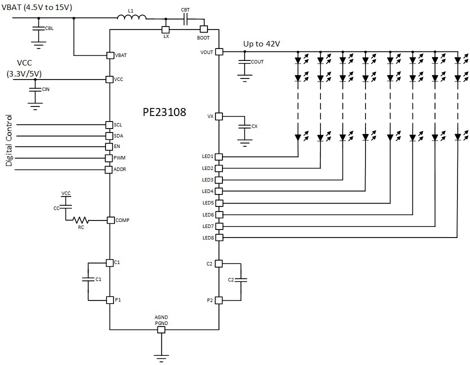
PE23108は、最大8ストリングのLEDが駆動可能、シンク電流のプログラミング機能が内蔵された高効率DC-DCコンバータです。
本製品には、全てのMOSFETとそのコントローラーおよびドライバ回路が集積されています。ムラタ独自のアーキテクチャ採用により、コンパクトな3.445mm × 2.095mmのWLCSP30パッケージで最大変換効率96%を実現します。
また、独自の2段階アーキテクチャ採用により、最新モバイル製品のニーズに合わせた薄型かつ小型化ソリューションを提供します。

Vin [V] 4.5-15
Vo [V] 42
Efficiency [%] 96
Strings [#] 8
Io/String [mA] 33
Dynamic Range [bit] 15
Control PWM and/or I 2C
Package WLCSP
Feature Integrated output disconnect switch, Open LED/Short LED/OCP/OVP/OTP/UVLO Protection, Linear/Log/Hybrid Dimming, Adjustable Fsw
Product Family LED Boost
Image of PE23108

テクニカルガイド

パワー半導体の各技術資料をご覧いただけます。
ダウンロードボタンをクリックすると、ファイルを閲覧/ダウンロードができます。
※Datasheet記載内容について予告なく変更や供給を停止することがあります。

Datasheet
特徴や仕様・測定方法についてご覧いただけます。

Datasheet (PDF: 3.9 MB)

「製品特徴アイコン」の説明

RoHS指令適合製品RoHS

RoHS指令に基づく適用除外に該当する部位を除く全ての均質部位において、RoHS指令で定める制限物質を、最大許容重量濃度を超えて含有していない製品を指します。

制限物質 最大許容重量濃度
0.1%
水銀 0.1%
カドミウム 0.01%
六価クロム 0.1%
ポリ臭素化ビフェニル(PBB) 0.1%
ポリ臭素化ジフェニルエーテル(PBDE) 0.1%
フタル酸ビス(2-エチルヘキシル)(DEHP) 0.1%
フタル酸ブチルベンジル(BBP) 0.1%
フタル酸ジブチル(DBP) 0.1%
フタル酸ジイソブチル(DIBP) 0.1%
REACH規則適合製品REACH

REGULATION (EC) No 1907/2006(REACH規則)の規制に適合する製品を指します。

REACH規則に基づく成形品含有物質規制:
REACH規則は第67条1項に基づいて物質の禁止や製品用途の制限を課します。 製品が高懸念物質(SVHC)を含有している場合、欧州内の供給者にはその製品を安全に使用するための情報を事前提供する義務が生じます(REACH第33条)。 物質の禁止では無く、製品の使用上の制限はありません。詳細は 「SVHCを含有する製品を安全に使用するための情報」をご確認ください。
AEC-Q200AEC-Q200
AEC-Q200対応品