お取引場所の地域-言語を選択してください。

非絶縁DC-DCコンバータモジュール降圧型DC-DCコンバータのダイオード整流と同期整流の違い

ダイオード整流回路と同期整流回路のそれぞれのメリットとデメリットを説明します。

降圧型DC-DCコンバータのダイオード整流と同期整流の違い

メリットとデメリット

Q2(転流素子)が、

  • ダイオード(ショットキーダイオードなど) → ダイオード整流
  • FET → 同期整流
  • 同期整流はダイオード整流より電力損失が小さくなります。
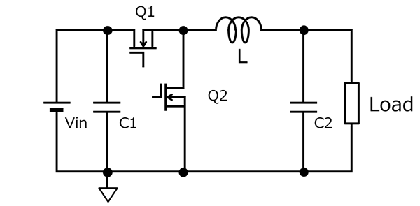
  • 同期整流はQ2の駆動回路が必要になるとともに、短絡防止のため、Q1とQ2が同時ONしないようにする回路も必要になります。
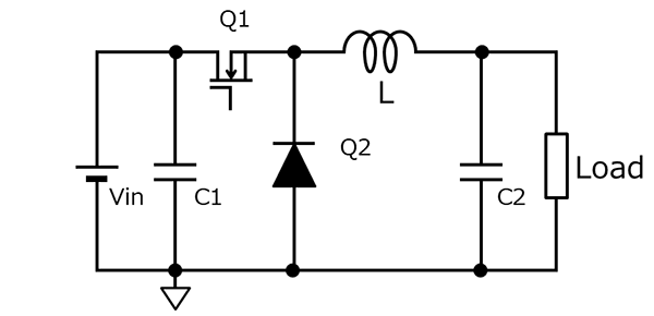
  • ダイオード整流ではQ1とQ2が同時にONすることはありません。
  • 同期整流はダイオード整流に比べると回路が複雑になります。
a)ダイオード整流
b)同期整流

電流不連続モード(ダイオード整流のみ)

ダイオード整流の場合、出力電流が小さい時にコイルに電流が流れない期間が存在します。

  • 電流不連続モードでは負荷応答性が悪くなる
  • 制御関数が不連続 / 連続の境界で変わる

特に不連続 / 連続の境界で動作するモードがある場合は十分な動作確認が必要です。

イメージ図

損失比較(ダイオード整流 vs 同期整流)

たとえば、負荷電流Iout = 10A / オンデューティD = 0.5の条件で転流素子Q2に発生する損失を算出します。

計算式
  • ダイオード整流
    ショットキーダイオードの順方向電圧VF = 0.5Vとすると、
    計算式
  • 同期整流
    たとえば、FETのドレイン・ソースオン抵抗Ron = 10mΩとすると、
    計算式

同期整流のほうが損失が小さくなり、負荷電流が大きい場合の発熱をおさえることができます。
また、入出力電圧差が大きい場合、転流側スイッチQ2のON時間が長くなるため、その損失差はさらに大きくなります。

ダイオード整流と同期整流のまとめ

  • 同期整流のメリット
    • 低損失
    • 高周波動作と部品の小型化が可能
    • 負荷変動に対する応答性がよい
  • ダイオード整流のメリット
    • 回路がシンプル
    • 軽負荷時の効率がよい