お取引場所の地域-言語を選択してください。

非絶縁DC-DCコンバータモジュール村田製作所のチャージポンプのメリットについて

従来のチャージポンプ回路と村田製作所のチャージポンプの違いとそのメリットについて説明します。

村田製作所のチャージポンプのメリットについて

チャージポンプおよび、村田製作所のチャージポンプモジュール

チャージポンプ(Charge pump)は、コンデンサと半導体スイッチを組み合わせることによって入力電圧を昇圧もしくは降圧、反転させることが可能な電圧変換方式です。
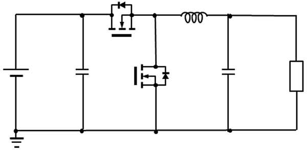
図1に一例として最も簡単な降圧形のチャージポンプを示します。図1に色分けされた各スイッチが交互に固定のオン時間でオン・オフすることで出力電圧(VOUT)=1/2入力電圧(VIN)の電圧変換可能です。この電圧変換比率は定倍であり、コンデンサとスイッチの接続数によって、電圧変換比率を変更することが可能です。
チャージポンプはオープンループ制御であり負荷電流の増加にともない、出力電圧が低下するドループ特性を持ちます。
また図1に示すようにインダクタを必要とせず、コンデンサと半導体スイッチによって回路を構成できます。
一般的に電源を構成する部品で磁性部品が最も背の高い部品となりやすいことや、電源サイズに対して占める割合が大きいため、インダクタを使用しないチャージポンプでは、小形、低背の電圧変換器が実現可能です。一方でチャージポンプは電荷を離散的に出力コンデンサ(COUT)に供給する方式であるため、定常的な出力負荷に対してはCOUTから電力を供給する期間が存在することになり、結果的に出力リップル電圧が大きくなります。これを解決するためには大形の大容量コンデンサもしくは多数のコンデンサを搭載する必要があり、部品点数の増加や電源回路面積の増加を招きます。加えて、放電されたコンデンサに電荷を再充電する期間において過渡的なスパイク電流が流れるため各素子にストレスがかかります。またCharge re-distribution Lossというコンデンサ間の電荷伝送にともなうチャージポンプ特有の損失が発生するため、効率の低下を招きます。

図1 チャージポンプ回路

上述の出力リップルの増加や電源の大形化、デバイスへの過渡的なストレスといったデメリットに対して、独自の技術を用いて対策を行った製品がUltraCPTMシリーズのチャージポンプモジュールです。表1に示すように、村田製作所ではMYC0409-NAを量産中です。
MYC0409-NAの入力電圧変換比率は1/4であり、入力電圧が48Vの場合、約12Vの出力電圧を出力することが可能です。そのため、48Vシステムや54Vの電源システムから12Vおよび13.5Vの中間バス電圧を生成するために最適です。
当製品は村田製作所独自のチャージポンプ技術が活用されており、高効率を維持しつつもわずか2.1mmの高さと、高い電力密度を有しています。大形のインダクタを必要とせず、軽量で薄いチャージポンプシリーズは、実装スペース問題を回避するために、基板の裏面に搭載することも可能です。

表1 UltraCPTMの製品概要
製品名 MYC0409-NA
入力電圧(V) 48(20-60)
出力電圧(V) VIN/4
出力電流(A) 6
サイズ(mm) 11.5*9.5
高さ(mm) 2.1_max.
効率(%) 95.0(VIN=48V/IOUT=6A)

降圧形コンバータとチャージポンプの違いとは?

図2に降圧形コンバータの回路図および、動作波形を示します。降圧形コンバータは入出力コンデンサ、ハイサイドおよびローサイドMOSFET、インダクタによって構成されています。MOSFETのオン時間を調節することによって、入力電圧より低い出力電圧を得る電圧変換方式です。このオン時間はフィードバック回路によって調節され、負荷に関わらず出力電圧を一定に保つことが可能です。
チャージポンプは前章で記載のとおり、フィードバックを持たないため負荷電流の増加にともない、出力電圧が低下します。また、電圧変換比は一定であるため、図3のような理想電圧変換器と出力等価抵抗(ROUT)の簡易モデルで示すことが可能です。定倍率の電圧変換および、負荷電流に対する電圧低下をROUTによって表現しています。図3より、チャージポンプの出力電圧は下記の式で表すことが可能です。

計算式

次に降圧形コンバータの重要部品のひとつであり、その選択により特性に大きな影響を及ぼすインダクタとコンデンサに関して説明を行います。降圧形コンバータとチャージポンプの動作を説明して、チャージポンプのメリットを明確にします。

降圧形コンバータの回路図
降圧形コンバータの動作波形

図2 降圧形コンバータ

図3 チャージポンプの簡易モデル

インダクタのリップル電流

図4にハイサイドMOSFETがオンの時の状態を示します。図4より、インダクタの両端電圧には入力電圧(VIN)と出力電圧(VOUT)が印加されることが分かります。インダクタ電流はこの両端電圧とオン時間、インダクタンスによって決定されます。そのため、降圧形コンバータのインダクタのリップル電流は次式で表すことができます。

計算式
ΔIL
インダクタのリップル電流
Lout
インダクタンス
Fsw
スイッチング周波数
D
時比率(VOUT/VIN)

上式より、このリップル電流を小さくするためにはインダクタンスを高くする、もしくはスイッチング周波数を高周波化する必要があります。
インダクタンスを高くするためには、インダクタの巻き数を増やすもしくは、コア断面積を大きくする必要があります。前者は巻き数を増やすことによって配線が長くなることでDCRが大きくなり導通損失の増加を招きます。損失の低減のために太い巻き線を使用する場合、巻き線を巻くための空間が必要になり大形のコアが必要になります。後者はコアの体積が大きくなるため、いずれの場合においても大電流の降圧形コンバータにおいて、インダクタを小形化することは困難です。スイッチング周波数を高周波化する場合は、MOSFETのスイッチング損失につながるため、効率の低下を招きます。
このようにインダクタが制限となって、小形、高効率かつ低背のコンバータの実現は困難です。

図4 降圧形コンバータ(State 1 : ハイサイドON)

一方でチャージポンプはコンデンサによって電力供給を行います。インダクタやトランスを用いて電圧変換を行う回路方式では、磁性部品が高さのボトルネックになることが一般的です。前述のとおり、高さの低い磁性部品を使用することで効率の低下を招きます。チャージポンプでは低背かつ高効率の電源が実現できます。また、コンデンサの電力密度はインダクタの電力密度と比較して高いため、高電力密度の電源が実現可能です。
村田製作所のチャージポンプでは小形のインダクタを使用しています。このインダクタはチャージポンプの後段に接続されており、LCフィルタによって出力リップル電圧を減少させることが可能です。
図5の(b)より、インダクタの両端電圧の振幅は降圧形コンバータと比較して非常に小さいため、インダクタンスの低いインダクタを使用することが可能です。また、低インダクタンスのインダクタは巻き数が少ないため、低DCRのインダクタ選定することが可能であり、それによってインダクタによる導通損失も低いです。

(a)降圧形コンバータ
(b)村田製作所のチャージポンプ

図5 インダクタの両端電圧および、リップル電流

入力リップル電圧

降圧形コンバータの入力電流の平均値は、電圧変換比に比例して小さくなります。しかしながら、図4の状態1の時に出力電流と同等の電流を入力から供給する必要があります。これは入力コンデンサによって直流カットされますが、図2にICINとして示されているように、入力コンデンサに流れる交流リップル電流は出力のICOよりも高くなります。ICINのRMS値は、次式のように算出することができます。

計算式

ムラタのチャージポンプでは時比率が50%固定で位相を180度ずらした2フェーズ構成を適用しており、入力電流は各周期で電力の供給を行います。したがって、入力コンデンサは過渡的な電流変化を生じません。入力コンデンサに流れるリップル電流は、インダクタ電流のN(電圧変換比率)分の1となり、少ない静電容量で低入力リップル電圧化を実現可能です。

アプリケーション

図6に一例として、スモールセルシステムにUltraCPTMシリーズを適応した場合のシステム図を示します。ACの電圧から48V電圧を生成した後段にMYC0409-NAを搭載しており、これによって48Vから12Vを生成しています。その後段に12Vレギュレータを搭載することでI/Oやコア電圧を生成しています。UltraCPTMシリーズを適応することで高効率、小形のシステムが実現可能です。

左右にスワイプ可能です 横持ちでご覧ください

図6 スモールセルシステム

特性およびサイズ比較

インダクタをエネルギー変換素子として利用する一般的な非絶縁降圧形DCDCコンバータモジュールと、チャージポンプモジュールであるMYC0409-NAとの特性比較結果を示します。本比較では、入力電圧を48V、出力電圧をおおよそ12Vとして評価を実施しました。図7に効率特性、図8にソリューションサイズの比較、図9に温度特性の比較をそれぞれ示しました。まず、効率特性は比較対象の最大定格電流である4Aの比較で5%以上の効率差があります。ソリューションサイズでは、外付けのコンデンサを含めてMYC0409-NAでは約20%の面積削減効果があります。さらにチャージポンプ技術の特長として、製品高さが圧倒的に低い、かつ軽量であるため、裏面への搭載や低背要求のあるシステムに適応可能です。
温度特性では比較対象より評価基板の面積が小さいにもかかわらず、低損失であるため34.7degCもの温度差が確認できます。

図7 効率特性(VIN=48V、VOUT=12V)
(a)MYC0409-NA
(b)降圧形コンバータモジュール

図8 ソリューションサイズ比較

図9 温度特性(VIN=48V、VOUT=12V、IOUT=4A)

まとめ

表2に村田製作所製のチャージポンプと降圧形コンバータについて整理を行います。
チャージポンプは特に低背が求められるアプリケーションで小形かつ高効率が実現可能な電圧変換方式です。レギュレーションは降圧形コンバータと比較して悪いというデメリットがあるため中間バスを生成して、後段にPoL(Point of load)で出力を安定させるようなアプリケーションに最適です。

表2 チャージポンプ(村田製作所)と降圧形コンバータの比較
チャージポンプ 降圧形コンバータ
出力電圧 VIN/DIV N-IOUT*ROUT VIN*D
レギュレーション ×
効率 ×-○
(インダクタのサイズに依存)
面積
高さ ×-△
(インダクタのサイズに依存)