お取引場所の地域-言語を選択してください。

非絶縁DC-DCコンバータモジュール48V入力チャージポンプの出力電流シェアについて

48V入力チャージポンプモジュールMYC0409-NAの出力電流シェアについて説明します。

48V入力チャージポンプの出力電流シェアについて

はじめに

MYC0409-NAは48V入力対応のDC-DCコンバータです。回路方式はチャージポンプを採用しており、低背かつ、高効率のモジュールを実現しています。入力電圧(VIN)変換比率は4分割の固定であり、20V-60Vの入力電圧範囲で出力電圧(VOUT)=VIN/4の電圧を最大で6A出力することが可能です。また、MYC0409-NAでは並列動作が可能であり、2つ以上のMYC0409-NAを並列に接続することで出力電流を6A以上に対応することが可能です。
一般的にDC-DCコンバータは負荷電流に応じて、適切な定格電流のコンバータを選定する必要があります。そのため負荷に応じて複数の種類のコンバータを採用する必要があります。一方、並列動作対応のDC-DCコンバータは並列台数を増やすことで1種類のDC-DCコンバータで小電力から比較的大電流のシステムへの適応が可能となります。また、各モジュールに電流を分散させることで局所的な発熱を防ぐことが可能であること、大形のインダクタを必要とせず、低背の電源システムの実現が可能といったメリットがあります。
DC-DCコンバータを並列動作する場合の重要な設計事項として、各コンバータ間の電流シェア(電流バランス)があります。複数台のDC-DCコンバータが並列接続された状態でひとつの電源に電流が集中した場合、その電源に過度なストレスがかかり故障や寿命低下の原因となります。
そのため、並列動作可能なDC-DCコンバータには各電源で電流をシェアする機能が搭載されています。電流シェアをする方法はいくつかありますが、本稿ではチャージポンプのドループ特性を利用して電流シェアする方法および、その時の電力ディレーティングの計算方法、また当社評価基板における電流シェアの評価結果を紹介します。

ドループ制御

MYC0409-NAはチャージポンプを適応したオープンループ制御の電源であり負荷電流の増加にともない、出力電圧が低下するドループ特性を持ちます。また、電圧変換比率は一定であるため、図1のような理想電圧変換器と出力等価抵抗(ROUT)の簡易モデルで示すことが可能です。定倍率の電圧変換および、負荷電流に対する電圧低下をROUTによって表現しています。図1より、チャージポンプの出力電圧は下記の式で表すことが可能です。

計算式
図1 チャージポンプの簡易モデル

このドループ特性を使用することで、複雑な電流シェア回路や追加の外付け回路を用いることなく、各モジュール間で電流シェアを行うことが可能です。
図2にドループ特性による電流シェアの概略図を示します。図2では電源モジュールを2個並列に接続した場合の出力電圧と出力電流(IOUT)の関係性を示しています。前述の式で示したROUTや各モジュールの配線レイアウトによって、図2のModule1およびModule2の傾きが変化します。この傾きによって各モジュール間に流れる電流が決定されます。両モジュールのROUTおよび配線インピーダンス、モジュール温度が完全に一致している場合、各モジュールには出力電流の半分(IOUT/2)の電流が流れます。一方でドループの傾きに差がある場合は、図2のようにModule1ではIOUT1の電流、Module2ではIOUT2の電流が流れて、IOUT1>IOUT/2>IOUT2の状態となります。しかしながら、Module1にはModule2と比較して大きな電流が流れるため、損失が増加して発熱が起こります。モジュールの温度が上がることでROUTが増加するため、Module1の電流が減少します。そのため、Module1とModule2の電流は自動的に差が小さくするように電流バランスを行います。
図2では無負荷時の各モジュールの出力電圧を同様と仮定しました。一方で無負荷時の出力電圧に差がある場合、モジュール間で電流の循環が発生します。これはModule1に正の方向に電流が流れて、Module2では負の方向に電流(逆流)が流れて出力電圧が安定状態となります。この時、電流が循環することで不要な電流が流れるため、無負荷時の損失が増大します。
MYC0409-NAではチャージポンプを採用しており、無負荷時の出力電圧は前述のとおりROUTに依存しないため、トリミングによる調整や補正をすることなく概ね同様の出力電圧となります。

図2 ドループ特性による電流シェア

並列動作時の電力ディレーティング

並列動作時の最大出力電流はシングル動作時の定格電流×並列台数ではなく、電力ディレーティングが発生します。その理由は各モジュールの出力電流が均等に電流シェアできないためです。
無負荷時の出力電圧は前述のとおりVOUT=VIN/4であるため概ね同様の値になりますが、モジュール内部の部品のばらつきや、モジュールを接続する配線のばらつきによって、各モジュールのドループの傾きが異なります。また、モジュール温度によってもドループの傾きが変化するため、搭載環境や放熱構造、入出力の配線抵抗を考慮して電力ディレーティングを決定する必要があります。
図3にMYC0409-NAを搭載したシステムの抵抗成分の等価回路図を示します。図3は4台のモジュールを並列接続した図でありROUT*は各モジュールのROUTです。
MYC0409-NAのROUTの測定点を図4に示します。図4より測定時の入力および出力電圧は赤枠部で検出を行っており、出力電流はモジュール外部で測定を行いROUTの算出を行っています。
Rip*およびRop*は、電源および負荷から図4に示すモジュール測定点までの配線パターンの抵抗成分です。後述の本稿で使用した評価基板ではモジュールのROUTと比較してRip*およびRop*が十分低いため、この値を無視することが可能です。しかしながら、分散電源システムへの適応によって配線が長くなる条件や基板の銅箔厚み、層構成によっては、Rip*およびRop*が電流シェアに影響を与えます。この場合は、これらのパラメータを考慮して計算することが必要です。

図3 MYC0409-NAを並列接続したシステムにおける抵抗成分の等価回路図
図4 ROUTの測定点

温度係数

前述のとおり、ROUTはモジュール温度の影響を受けます。温度によるROUTへの影響を確認するためにMYC0409-NAのROUTの温度特性を測定しました。ROUTはモジュール温度にほぼ比例した温度係数を有しており、入力電圧毎にその係数が異なります。ROUTを構成する要素として半導体や配線の寄生抵抗、セラミックコンデンサのバイアス特性などといった複数の要因があります。そのため、温度や印加する電圧によって損失に与える影響が異なります。
実測値より求めた温度係数を表1に示します。

左右にスワイプ可能です 横持ちでご覧ください
表1 MYC0409-NAの温度係数
V IN(V) 20 24 36 48 54 60
温度係数 0.151 0.149 0.141 0.120 0.105 0.089

計算式

並列動作時において、ROUTと配線抵抗の合計値が最も低いモジュールに最も大電流が流れます。最も高い電流が流れるモジュールの電流値をシングル動作時の定格電流6Aとして、トータルの出力電流(IOUT_4para)を算出します。
ROUT1と配線抵抗の合計が最も低い条件と仮定した場合の最大出力電流の計算式は下記となります。この計算式によって、並列動作時の出力電流のディレーティングが決定されます。これらはあくまでも計算式であり、定格電流6Aを超えずに使用してください。

計算式
ROUT*1
各モジュールのROUT(TA=25degC)
R*
配線パターンの抵抗値
K
温度係数
T*
各モジュールの温度
計算式

並列動作台数が2台の場合も同様に下式となります。

計算式

評価結果

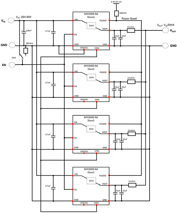
電流シェアの評価に使用した評価ボードを図5に示します。今回は評価ボードに4台のMYC0409-NAを搭載した際の電流シェアの測定を実施しました。電流検出方法は各モジュールの出力に電流検出抵抗を搭載して、その抵抗に流れる電流を測定しました。図6に回路図を示します。
図7に各入力電圧に対する電流シェアを示し、図8に各入力電圧に対する均等に電流シェアされた状態(IOUT/4)との電流の差異を示します。本結果より、負荷電流IOUT=1A以上の領域で±3%以下という良好な電流シェアが実現できています。軽負荷時は電流値が低く温度補正がかかりにくいため、各モジュール間の電流値に差が出やすい傾向にありますが、ばらついた影響のひとつとして測定環境があります。電流増幅のオペアンプのオフセットや測定機器の硬度など、軽負荷時の測定精度を向上する測定方法に関しては今後の課題です。
図9に温度特性を示します。本評価の温度はTA=25degC、自然空冷の条件で評価を実施しました。今回の測定ではヒートシンクによる放熱を行っていないため、熱が逃げにくい中心の2台のモジュールの温度が上昇しています。仮に図5のCH1側もしくはCH4から強制空冷を実施した場合、ファン側に搭載されたモジュールの温度が下がりさらに電流が流れやすくなります。強制空冷によってモジュール間の電流シェアを悪化する可能性があるため、強制空冷の場合はファンの向きに注意が必要です。

図5 MYC0409-NAの評価ボード
114.5 × 101.5 × 1.6mm(4 Layer FR-4)
外層(1, 4)=2oz、内層(2, 3)=1oz
左右にスワイプ可能です 横持ちでご覧ください

図6 評価回路

図7 各入力電圧に対する電流シェア

図8 各入力電圧に対する出力電流の差異

図9 温度特性(VIN=48V、VOUT=12V)