Select your region & language

Piezoelectric Film Sensor (Picoleaf™)Piezoelectric film sensor principles of operation

Detection circuit used in Picoleaf sensor

The Picoleaf detection circuit is composed of an I/V converter and amplifier circuit.
The charge generated by Picoleaf is converted into voltage by the I/V converter and amplified as needed.
Murata currently recommends use with a discrete circuit. A dedicated ASIC for Picoleaf that also includes signal processing functionality is currently under development and should first become available in 2025.

Main image of detection circuit used in Picoleaf sensor

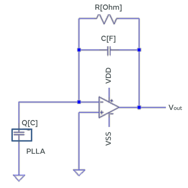
Detection circuit

The circuit configuration of the I/V converter is shown below.
One benefit of the I/V converter is that it can convert the charge generated by Picoleaf into voltage without being affected by sensor capacitance or stray capacitance. Please contact us for details.

Main image of detection circuit

Piezoelectric film sensor behavior

If piezoelectric film is warped (stretched or contracted) due to pressing force or deformation, an amount of polarization proportionate to the amount of warping in the surface of the piezoelectric film is generated. The charge generated by this polarization is converted into voltage by the I/V converter, and output as an analog signal. The following example illustrates input load and output signal.

Image 1 of piezoelectric film sensor behavior. Test condition, Base material:ABS, Amplitude:20um, Frequency:5Hz, Pre-Load:5N
Image 2 of piezoelectric film sensor behavior