Select your region & language

Microblower (Air Pump)Microblower MZB4001T05

The structure is designed to operate as a blower (piezoelectric pump) by applying the ultrasonic vibrations of the ceramics as the drive source. It is an air pump that has realized characteristics with a good balance of pressure and flow rate as well as being a thin and silent device.
The device has a nozzles attached to both the air suction and discharge sides, so it can be easily connected to a tube.

  • *Click to move to each item.

Specifications

Swipe left or right to change screens View in landscape mode.
Input voltage
[Vdc]
Operating environment
temperature range [°C]
Drive resonance
frequency [kHz]
Flow rate @24Vdc
[L/min]
Static pressure @24Vdc
[kPa]
20~28*1 5~50 20~22 ≧0.5*2 ≦-10.5*3

*1 Voltage to be applied to our drive circuit

*2 Measurement conditions: Ambient temperature: 18 to 28°C, Atmospheric pressure: 950 to 1020 hPa
Consult with us when you are considering the use of positive pressure.

*3 The flowrate and pressure characteristics change according to the ambient temperature and atmospheric pressure conditions.

* If the pump is driven by a voltage exceeding 24 Vdc, the working reliability time will rapidly decrease.

* Use the pump under conditions such that the temperature of the surface of the pump is 60°C or less.
If the pump is driven by a very high voltage, there may be cases in which the generated heat prevents the pump from realizing adequate performance.

Features

(1) A separate drive circuit is required.

Drive circuit samples for trials are available in limited quantities.
Please contact us for details. (The customer should prepare their own drive circuits for mass production.)

(2) Typical characteristics

Item  
Drive resonance frequency 21kHz
No-load flow rate 1.3L/min(@28Vdc)
Static pressure -20kPa(@28Vdc)

* When operated continuously, sufficient performance may not be achieved due to heat generation. Furthermore, this may also lead to damage.
Use within the range where the surface temperature of the resin cap side is 60°C or less. Take measures to dissipate heat, such as use of a heat dissipation plate, or stoping the drive when the surface temperature exceeds 60°C.

The characteristics change according to the input voltage.

* Data shows typical characteristics for reference purposes only, and is not guaranteed.
Please contact us when considering use for discharge applications (positive pressure).

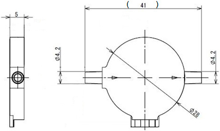
(3) Appearance

Swipe left or right to change screens View in landscape mode.
  Item Specification Condition
1 Outside dimension/tolerance φ28±0.2mm except the nozzle and terminal
2 Thickness/tolerance 5±0.5mm  
3 Nozzle diameter/tolerance 4.2±0.2mm Bottom diameter of nozzle

(4) Air Flow through the blower

* The air flow is unidirectional. It is not possible to create a flow in the opposite direction.

Notes

  • A microblower is a device to suck / discharge air, and liquids cannot flushed directly. The body cannot be washed because it does not have a sealed structure, and has no waterproof function. Also, avoid using this product in environments with condensation.
  • Since the microblower sucks and discharges air, contaminants and dust in the air tend to accumulate inside the pump, and the contaminants and dust will influence the operation time. Use the microblower in a clean environment, or use a filter to remove at least submicron level of contaminants to prevent particles and dust from entering. (* The use of a filter does not guarantee suppression of the characteristics deterioration of the microblower.)
  • Particularly, the smoke from tobacco and mosquito-repellant incense, etc. have an influence on the life span of the product. Do not use the product in any smoky environment.
  • The microblower cannot be used for automobile applications (including accessories). Do not use this product for automobiles.
  • If the microblower is used for medical applications, murata requires a special contract to cover the use in the medical application to be agreed before start of mass production. Please contact us for details.
  • Do not handle the body (including the nozzle, wiring, etc.) with bare hands.
  • Do not bend the terminals.
  • Contact Murata if you are considering an increase of the pressure by series connection.
  • Depending on the usage method, application and the scale of demand, etc., Murata may refuse your request, including the provision of samples. Thank you for your understanding.

Datasheet

Datasheet Download

You can download a datasheet describing the product characteristics, specifications, and more.

MZB4001T05 Datasheet