お取引場所の地域-言語を選択してください。

RFID製品電子機器管理用

プリント基板にはんだ実装が可能なRFIDタグです。
推奨パターンを提供致しますので、お使いの基板のGND部分がRFIDタグのアンテナとして利用できます。

RFIDマイクロタグの活用の動画や、ムラタのRFIDマイクロタグが選ばれる理由、活用事例・資料ダウンロード等の詳細を以下ページよりご確認いただけます。

電子機器管理用

シリーズラインアップ

品番 LXMS21ACMF-218 PDF LXMS21ACMD-220 PDF
外観
適合規格 ISO 18000-63 / EPC Global Gen2v2
IC Impinj Monza R6 Impinj Monza 4QT
EPCメモリ 96bit 128bit
ユーザーメモリ NA 512bit
サイズ (L×W×H) 2.0 × 1.2 × 0.5 mm
Read range* 9m (on PCB) 7m (on PCB)
在庫検索
備考 最終受注期限 : 2026/03/31
生産中止日 : 2026/07/31
  • 代替品についてはお問い合わせください(2026/04/01から量産予定)
最終受注期限 : 2026/03/31
生産中止日 : 2026/09/30
  • 代替品についてはお問い合わせください(2026/04/01から量産予定)

Frequency : UHF帯(865 to 928MHz)

  • 当社環境で測定した場合の参考値

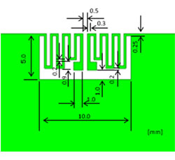
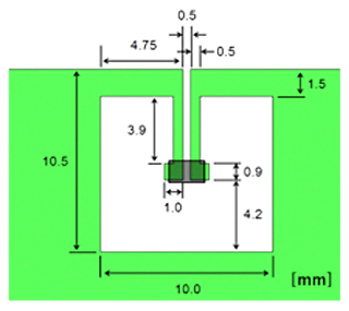
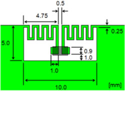
基板実装時の推奨パターン

左右にスワイプ可能です 横持ちでご覧ください
搭載パターン Normal1 Small1 Normal2 Small2
対応品番 LXMS21ACMF-218 LXMS21ACMD-220
サムネイル
*画像をクリックすると詳細寸法をご覧になれます。
Normal1 Small1 Normal2 Small2
DXF形式 DXF-218-normal1.zip DXF-218-small1.zip DXF-220-normal2.zip DXF-220-small2.zip
Gerber形式(RS274x) Gerber-218-normal1.zip Gerber-218-small1.zip Gerber-220-normal2.zip Gerber-220-small2.zip
  • お客様基板のGNDと導通を取ってご使用ください。
    多層基板でのご採用の際には、データ中のL2パターンを表層以外のパターンにご使用ください。
    読み取り距離はGND長によって変わります。詳細は下記を参照ください。